Weidmuller MCB AC/DC Series Circuit Breakers
Weidmuller MCB AC/DC Series Circuit Breakers are 1-, 2-, and 3-pole thermal-magnetic miniature circuit breakers in accordance with EN 60947-2, UL 1077, and UL 489 safety certifications. These circuit breakers are equipped with a positively trip-free snap action toggle actuation mechanism, high-rupture capacity, and visual status indication for DIN-rail mounting. The MCB AC/DC circuit breakers feature 120/240/277/480VAC rating and 60 (single pole) or 125 (series double pole) VDC of high-rated interrupting capacities. These devices are easy to visually inspect, switch manually (or remotely trip with shunt trip devices), and monitor using an auxiliary contact.The MCB AC/DC circuit breakers with a range of trip characteristics and add-on modules, allow a great variety of applications. These circuit breakers are intended to protect the circuit cables as well as motors, generators and transformers, thyristors, and silicon rectifiers. The MCBs also provide additional protection for computers, peripheral equipment, industrial process control systems, telecommunications equipment, and power supplies.
Features
- UL 489 (branch rated) and UL 1077 (supplementary rated) circuit breakers
- Finger-safe
- UL 489 or UL 1077 industrial control applications, with optional lock-ability in the “ON” or “OFF” position
- Engineered protection for automation and process applications:
- Thermal magnetic
- Available for B, C, or D curve characteristics
- Common amperage values available 1A to 63A
- Rugged construction
- High vibration ±0.38mm (10Hz to 57Hz),
- 5g (57Hz to 500Hz) 10 frequency cycles per axis
- shock test IEC 60068-2-27 / 30g 11ms
- Design flexibility
- Optional accessory modules for signaling, change-over, and remote tripping
- Optional cuttable busbars and busbar accessories
- Space-saving
- High-density (17.6mm wide) rail mounting
- Wide accessory offering
- Approved cuttable busbars, auxiliary contacts, and shunt-trip devices
- Fully rated
- 1-pole: AC 120V, 1A to 63A and AC 277V, 1A to 32A
- 2- and 3-pole: AC 240V, 1A to 63A and AC 480Y/277V 1A to 32A
Applications
- Automotive manufacturing
- Chemical, oil, and gas
- Renewable energy
- Rail vehicles
- Automation
- Pharmaceutical and food
- Steel production
- Telecom and datacom
- Power-D-box-systems
- Lighting equipment
- Process control
Videos
Overview
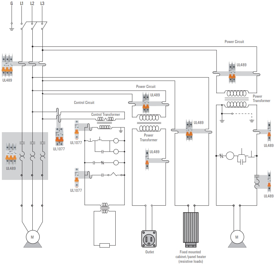
Application Schematic
Additional Resources
Published: 2023-04-24
| Updated: 2023-08-21
