Ultralife UB123A Lithium / Manganese Dioxide Battery
Ultralife UB123A Lithium / Manganese Dioxide Battery (Li-MnO2) is a compact, lightweight cell with large voltages, high energy density, and high reliability. This battery is non-rechargeable and is made up of Lithium/Manganese dioxide. The UB123A battery offers a 1.5V to 3.3V voltage range and a typical capacity of 1650mA. Ultralife UB123A Battery is suitable for digital cameras, LED flashlights, meters, and small electronic appliances that require relatively high currents.Features
- Compact and lightweight cells with relatively large voltages
- High energy density
- Wide working temperature range
- Very small self-discharge
- Offers a Positive Temperature Coefficient (PTC)
- High reliability
- 10-year shelf-life
- Made up of Lithium/Manganese dioxide
- Primary and non-rechargeable battery
Applications
- Digital cameras
- LED flashlights
- Safety and security systems
- Internet of Things (IoT) devices
- Metering systems
- Small electronic appliances requiring relatively high currents
Specifications
- 1.5V to 3.3V voltage range
- 1800mAh typical capacity
- 5.2Wh energy rate
- -20°C to +72°C operating temperature range
- -40°C to +60°C storage temperature range
- IEC 60086-4, UL 1642, and UN 38.3 certified
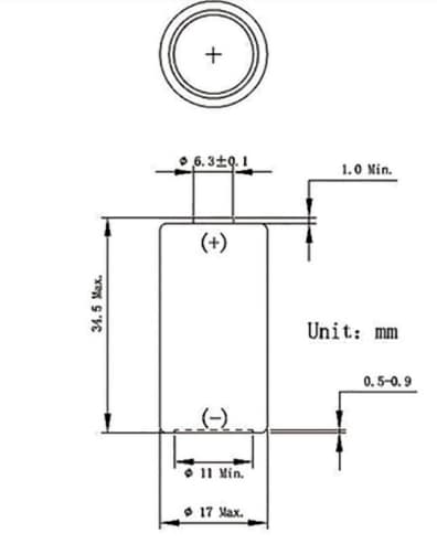
Mechanical Drawing
Additional Resources
Published: 2019-09-12
| Updated: 2024-03-12
