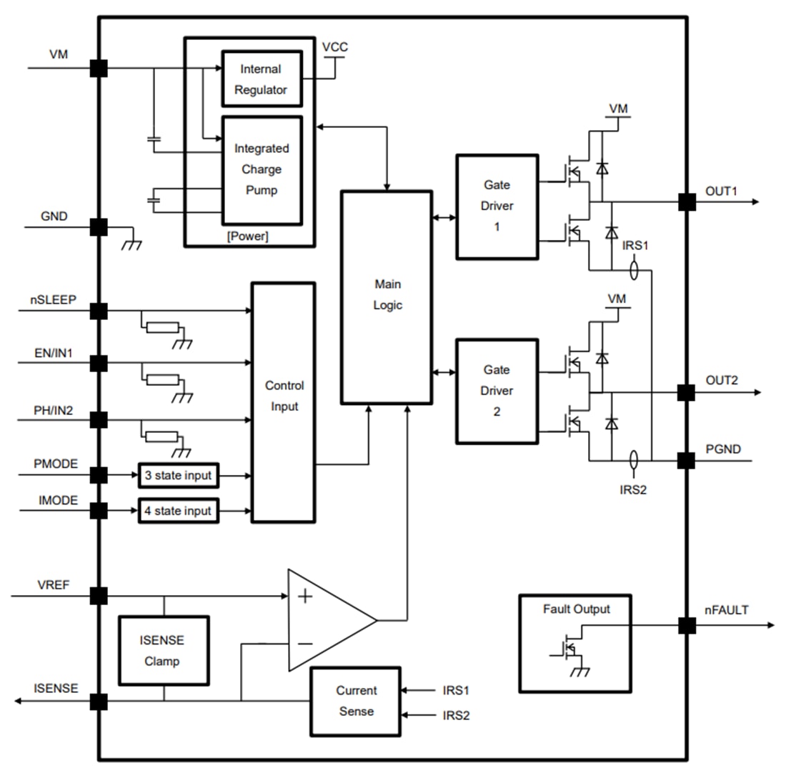
Toshiba TB67H453 Single Channel H-Bridge Driver
Toshiba TB67H453 Single Channel H-Bridge Driver has a current monitoring function with voltage feedback from the ISENSE output pin. The device's absolute maximum rating is 50V and 3.5A. The device can control one brushed DC motor (bi-directional) or two brushed DC motors (single direction). Toshiba TB67H453 comes in an HTSSOP-16 (TB67H453FNG) or VQFN-16 (TB67H453FTG) package with an exposed thermal pad.
Features
- Controlling brushed DC motor with integrated H-Bridge
- 4.5V to 44V operation voltage range
- 3.5A (max.) output current range
- Integrated low Rds(on) (H+L = 0.6Ω (typ.))
- Current monitoring function (ISENSE)
- Low power consumption/standby current
- Multiple error detections (over temperature (TSD), over current (ISD), under voltage lockout (UVLO))
- Error detection (TSD/ISD/UVLO) signal output function
- Fully integrated charge pump (external capacitor not required)
- HTSSOP-16/VQFN-16 pin packages with exposed thermal pad
Applications
- Current, voltage feedback monitoring
- Bi-directional control of brushed DC motors
- Single-direction control of two brushed DC motors
- Applications requiring a 50V and 3.5A motor driver
Block Diagram
Published: 2025-01-13
| Updated: 2025-12-05
