Torex Semiconductor XCL247/XCL248 Micro DC/DC Converters

Torex Semiconductor XCL247/XCL248 Micro DC/DC Converters are integrated with a control IC and coil. These converters feature a 3V to 36V input supply voltage range, 1.2MHz switching frequency, and 600mA output current. The XCL247/XCL248 converters' output voltage can be changed from 2.8V to 6V using an external resistor. These converters offer protection functions like current limit and thermal shutdown. The XCL247/XCL248 converters are available in DFN3030-10B (3mm x3mm x 1.7mm) packages and are EU RoHS compliant. Typical applications include industrial automation, industrial sensors, security systems, home appliances, 4mA to 20mA current loop, and high-voltage LDO replacement.

Features

  • 3V to 36V (40V absolute maximum) input voltage range
  • 46V peak voltage (≤400ms applied time)
  • 2.8V to 6V output voltage range
  • 0.75V±1.5% feedback voltage
  • 600mA output current
  • 1.2MHz oscillation frequency
  • 11µA quiescent current (XCL248)
  • 88% efficiency
  • Control methods
    • F-PWM (XCL247)
    • PWM/PFM (XCL248)
  • Current limit and thermal shutdown protection functions
  • Soft start (external adjustment) and power good functions
  • Ceramic output capacitor
  • -40°C to 105°C operating ambient temperature range
  • DFN3030-10B (3mm x 3mm x 1.7mm) package
  • EU RoHS-compliant and Pb-free

Applications

  • Industrial automation
  • Industrial sensors
  • Security systems
  • Home appliances
  • 4mA to 20mA current loops
  • High-voltage LDO replacements
  • General-purpose Point of Load (POL) and power supplies

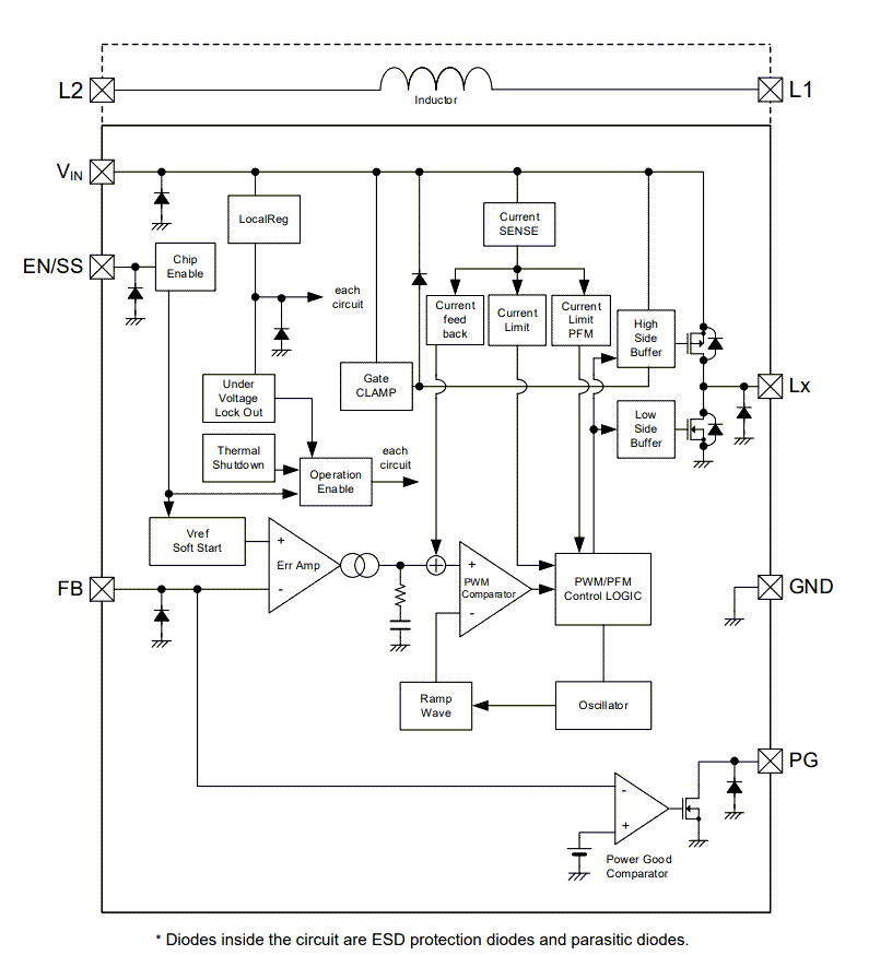
Block Diagram

Block Diagram - Torex Semiconductor XCL247/XCL248 Micro DC/DC Converters

Application Circuit Diagram

Application Circuit Diagram - Torex Semiconductor XCL247/XCL248 Micro DC/DC Converters
Published: 2025-04-21 | Updated: 2025-07-31