Texas Instruments ADS422x / ADS424x Dual Ultra Low-Power ADCs

Texas Instruments ADS422x and ADS424x Dual-Channel Analog-to-Digital Converters are low-speed variants of the ADS42xx ultra-low power family of ADCs. The 12-bit TI ADS422x and 14-bit TI ADS424x devices use innovative design techniques to achieve high-dynamic performance while consuming extremely low power with a 1.8V supply. This topology makes TI ADS422x and ADS424x Dual-Channel ADCs ideal for multi-carrier, wide-bandwidth communications applications.

Features

  • 250MSPS maximum sample rate
  • Ultra-low power with single 1.8V supply
    • 560mW total power at 250MSPS
  • High dynamic performance
    • 80dBc SFDR at 170MHz
    • 71.7dBFS SNR at 170MHz
  • 90dB at 185MHz crosstalk
  • Programmable gain up to 6dB for SNR/SFDR trade-off
  • DC offset correction
  • Output interface options
    • 1.8V parallel CMOS interface
    • Double data rate (DDR) LVDS with programmable swing
      • 350mV standard swing
      • 200mV low swing
  • Supports low input clock amplitude down to 200mVPP
  • 9mm×9mm, 64-pin quad flat no-lead (QFN) package

Applications

  • Wireless communications infrastructure
  • Software defined radio
  • Power amplifier linearization

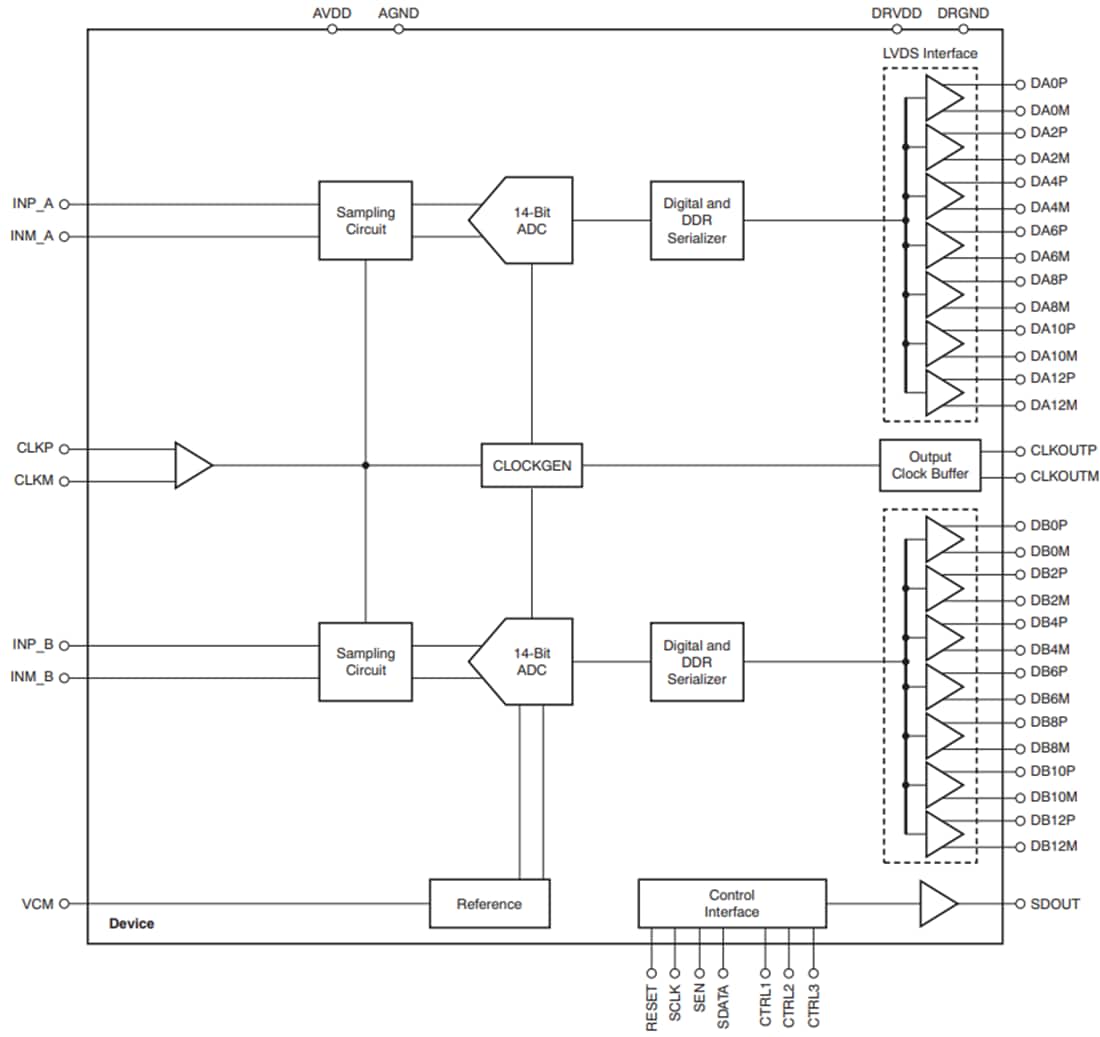
Functional Block Diagrams

View Results ( 19 ) Page
Part Number Datasheet Resolution Sampling Rate SNR - Signal to Noise Ratio Power Consumption
ADS4245IRGCT ADS4245IRGCT Datasheet 14 bit 125 MS/s 71.4 dB 277 mW
ADS4225IRGCT ADS4225IRGCT Datasheet 12 bit 125 MS/s 70.8 dB 277 mW
ADS4229IRGCT ADS4229IRGCT Datasheet 12 bit 250 MS/s 70.5 dB 470 mW
ADS4245MRGC25EP ADS4245MRGC25EP Datasheet 277 mW
ADS4222IRGCT ADS4222IRGCT Datasheet 12 bit 65 MS/s 70.9 dB 183 mW
ADS4249IRGCT ADS4249IRGCT Datasheet 14 bit 250 MS/s 72.8 dB 470 mW
ADS4242IRGCT ADS4242IRGCT Datasheet 14 bit 65 MS/s 73.6 dB 183 mW
ADS4222IRGCR ADS4222IRGCR Datasheet 12 bit 65 MS/s 70.9 dB 183 mW
ADS4225IRGCR ADS4225IRGCR Datasheet 12 bit 125 MS/s 70.8 dB 277 mW
ADS4226IRGCR ADS4226IRGCR Datasheet 12 bit 160 MS/s 70.5 dB 332 mW
Published: 2011-12-12 | Updated: 2025-06-25