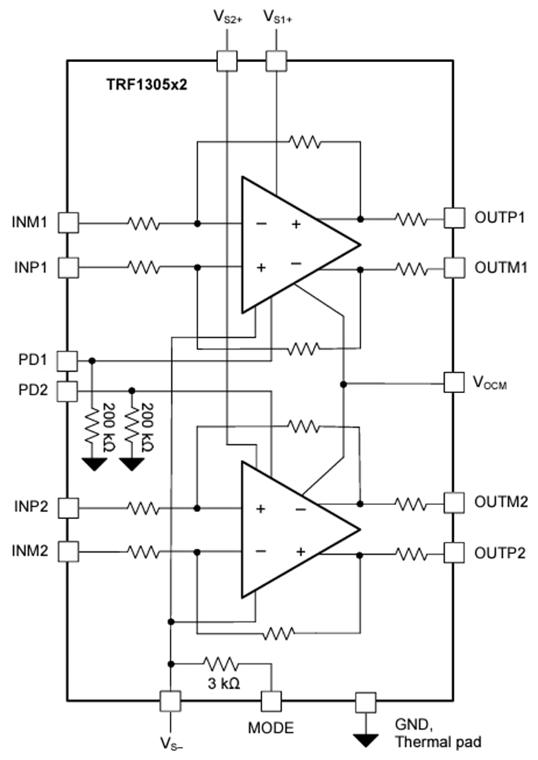
Texas Instruments TRF1305 Dual-Channel Fully Differential Amplifier
Texas Instruments TRF1305 Dual-Channel Fully Differential Amplifier is a very high-performance, closed-loop, dual-channel RF amplifier with an operational bandwidth from true-DC to > 6.5GHz. The device has excellent performance to drive high-speed, high-performance ADCs, such as the ADC12DJ5200RF and ADC32RF5x, with a DC- or AC-coupled interface. The amplifier is optimized for RF, zero and complex IF, and high-speed time-domain applications. The device is optimized for performance in the preset gain configuration. If a lower-than-preset gain is desired, use external resistors.The TRF1305 features a VOCM pin that allows setting different output common-mode and input common-mode voltages (for example, for level-shifting or for most IQ down-converter ADC-interface applications that have differing DC common-mode voltages). It also has a floating 2-rail split or single-supply option and a MODE pin that allows extending the input common-mode range closer to the supplies. High channel-to-channel isolation allows the device to be used in a complex IQ transmit or receive signal chain without loss of signal integrity.
The Texas Instruments TRF1305 has a feature that allows the user to power down each channel individually. The device is fabricated in TI’s proprietary advanced BiCMOS process and is available in a space-saving, 2.5mm×3.0mm, 16-pin, WQFN-FCRLF package.
Features
- Three performance-optimized power gain variants
- 5dB (TRF1305A2)
- 10dB (TRF1305B2)
- 15dB (TRF1305C2)
- Preset gain can be reduced with external resistors
- High large-signal bandwidth
- TRF1305B2: 7GHz (3dB), 6.5GHz (1dB)
- OP1dB (differential 100Ω load)
- 16dBm (2GHz), 12.5dBm (4GHz)
- OIP3 of 34dBm (2GHz), 24dBm (4GHz)
- 10.2dB (2GHz), 12dB (4GHz) noise figure
- 25kV/µs slew rate
- Large input (±1V) and output (±0.5V) common-mode voltage ranges
- Flexible configurations and modes
- Single-ended input, differential output (S2D)
- Differential input, differential output (D2D)
- Single-ended output (limited performance)
- AC- or DC-coupled input/output
- Adjustable output common-mode voltage
- Input common-mode range extension mode
- Supports 5V, flexible single or split supplies
- Active power dissipation: 500mW per channel
- Power-down for each channel
Applications
- RF sampling or GSPS ADC driver
- Test and measurement
- Wireless communications test
- High-speed data acquisition
- Oscilloscopes (DSOs)
- High-speed digitizer
- Spectrum analyzer
- Vector signal transceiver (VST)
- Common-mode level shifting
- RF active balun
- I/Q mixer interface
Functional Block Diagram
