Texas Instruments TPS92520-Q1 Synchronous Buck LED Driver
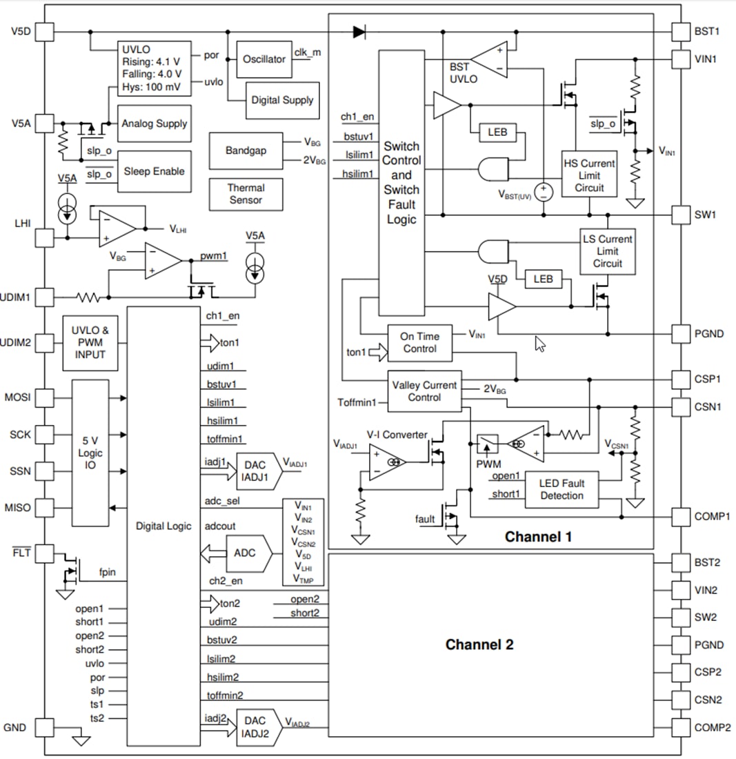
Texas Instruments TPS92520-Q1 Synchronous Buck LED Driver is a monolithic dual synchronous buck LED driver with a wide 4.5V to 65V operating input voltage range that can independently power two strings of series-connected LEDs. The TPS92520-Q1 implements an adaptive on-time average current mode control and is designed to be compatible with shunt FET dimming techniques and LED matrix manager-based dynamic beam headlamps. The adaptive on-time control provides a near-constant switching frequency that can be set between 100kHz and 2.2MHz. The Texas Instruments TPS92520-Q1 inductor current sensing and closed-loop feedback enables better than ±4% accuracy over wide input voltage, output voltage, and ambient temperature range.The high-performance LED driver can independently modulate LED current using analog or PWM dimming techniques. Linear analog dimming response with over 16:1 range is obtained by programming the 10-bit IADJ value via SPI. PWM dimming of LED current is achieved by directly modulating the corresponding UDIM input pin with the desired duty cycle or by enabling the internal PWM generator circuit. The PWM generator translates the 10-bit PWM register value to a corresponding duty cycle by comparing it to a programmable digital counter.
The TPS92520-Q1 incorporates advanced SPI programmable diagnostic and fault protection featuring cycle-by-cycle switch current limit, bootstrap undervoltage, LED open, LED short, thermal warning, and thermal shutdown. An onboard 10-bit ADC samples critical input parameters required for system health monitoring and diagnostics. The TPS92520-Q1 is available in an 8.1mm x 11mm thermally-enhanced 32-pin HTSSOP package with a 2.75mm x 3.45mm top-exposed and bottom-exposed pad.
Features
- AEC-Q100 qualified for automotive applications
- –40°C to 125°C ambient operating temperature Grade 1
- Device HBM classification level H1C
- Device CDM classification level C5
- Functional Safety-Capable
- Documentation available to aid functional safety system design
- 4.5V to 65V wide input voltage range
- Up to 1.6A continuous output current with 4% accuracy
- Adaptive on-time average current control
- Programmable switching frequency from 100kHz to 2.2MHz
- Cycle-by-cycle switch overcurrent protection
- Advanced dimming operation
- 10-bit precision analog dimming
- 10-bit precision internal PWM dimming
- Supports external PWM dimming input
- Optimized for external shunt dimming, including LED Matrix Manager
- Switch thermal protection
- Serial peripheral interface (SPI)
- Configurable analog reference, switching frequency, and PWM dimming duty cycle
- Fault monitoring and reporting
- Limp-home (LH) and stand-alone mode operation
Applications
- Automotive headlight and adaptive LED driving module
Functional Block Diagram
