Texas Instruments TPS22999 On-Resistance Load Switch
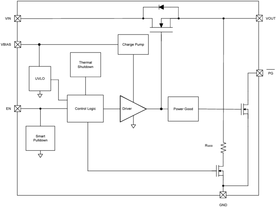
Texas Instruments TPS22999 On-Resistance Load Switch is a single-channel load switch designed to attain a fast turn-on time with a low inrush current. This load switch features an N-channel MOSFET that functions over a 0.1V to VBIAS -1V input voltage range and supports 1.5A maximum continuous current. The TPS22999 load switch integrates a 5.3Ω quick output discharge path while the switch is turned off to enable reliable system operation. This load switch features a Power Good (PG) signal that indicates when the main MOSFET is properly settled to the lowest resistance path. The TPS22999 load switch operates at -40 °C to 105°C free-air temperature range and is available in a 0.35mm pitch and 8-pin WCSP package (YCH). Typical applications include wearables, Solid-State Drives (SSDs), PCs and notebooks, industrial PCs, and optical modules.Features
- Input operating voltage range (VIN)
- 2.3V to 5.5V bias voltage range
- 1.5A maximum continuous current
- 7.5mΩ (typical) ON-resistance (RON)
- Regulated inrush current
- 5.3Ω integrated quick output discharge
- Open drain Power-Good (PG) signal
- <200μs at VIN = 1V turn-on time
- Thermal shutdown
- VBIAS Under-Voltage Lockout (UVLO)
- Low power consumption:
- 10μA (typical) ON state (IQ)
- 2.7μA (typical) OFF state (ISD)
- Smart EN pin pulldown (RPD,EN):
- 25nA (typical) EN ≥ VIH (ION)
- 500kΩ (typical) EN ≤ VIL (RPD,ON)
Applications
- Wearables
- Solid State Drive (SSDs)
- PC and notebooks
- Industrial PC
- Optical module
Typical Application Diagram
Block Diagram
Published: 2024-01-15
| Updated: 2024-02-05
