Texas Instruments TPD4S201/TPD4S201-Q1 USB Type-C® Port Protector IC
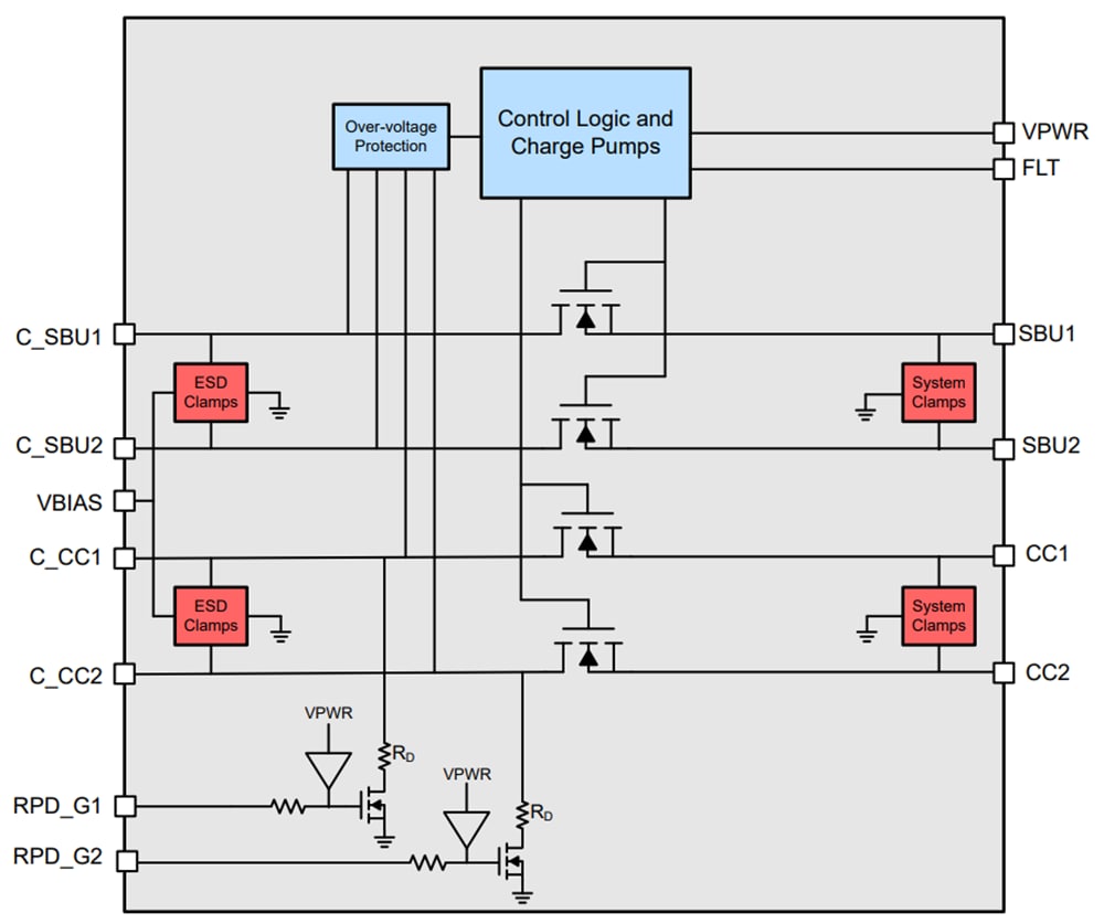
Texas Instruments TPD4S201/TPD4S201-Q1 USB Type-C® Port Protector IC is a single-chip USB Type-C port protection IC that provides IEC ESD and 28V short-to-VBUS overvoltage protection. Since the release of the USB Type-C connector, many accessories and products for USB Type-C do not meet the USB Type-C specification. There is also concern that mechanical sliding and twisting of the connector could short the pins due to the proximity of this small connector. This twisting and sliding can cause the 28V VBUS to be shorted to the SBU and CC pins. Also, due to the proximity of the pins in the Type-C connector, there is concern that moisture and debris will cause the 28V VBUS pin to be shorted to the CC, SBU, or USB2 pins.These non-ideal equipment and mechanical events make it necessary for the CC and other pins to be 28V tolerant, even though the pins only operate at 5V or lower. The Texas Instruments TPD4S201/TPD4S201-Q1 enables the CC and SBU or USB2 pins to be 28V tolerant without interfering with normal operation by providing over-voltage protection on the SBU and CC pins. The device places high-voltage FETs in series on the SBU and CC lines. For systems not utilizing alternate modes with SBU communication, the SBU pins of the TPD4S201-Q1 can be used to protect the USB2 data lines instead. When a voltage above the OVP threshold is detected on these lines, the high voltage switches are opened up, isolating the rest of the system from the high voltage condition on the connector.
Finally, most systems require IEC 61000-4-2 system-level ESD protection for external pins. The TPD4S201/TPD4S201-Q1 integrates IEC 61000-4-2 ESD protection for the CC1, CC2, SBU1, and SBU2 pins, eliminating the need to place high-voltage TVS diodes externally on the connector.
Features
- Qualified for automotive applications (TPD4S201-Q1)
- AEC-Q100 qualified with the following results of device temperature grade 2 with -40°C to +105°C ambient operating temperature range
- 4-channels of short-to-VBUS overvoltage protection (CC1, CC2, SBU1, SBU2): 28VDC tolerant
- 4-channels of IEC 61000-4-2 ESD protection (CC1, CC2, SBU1, SBU2)
- CC1 and CC2 overvoltage protection FETs for passing VCONN power
- ±35V surge protection on CC pins
- ±35V surge protection on SBU pins
- CC dead battery resistors are integrated for handling the dead battery use case
- 3.5mm x 3.5mm QFN package
Applications
- Automotive USB charging
- Automotive media hub
- Automotive head unit
- Automotive display module
Functional Block Diagram
