Texas Instruments TPA3220 50W Stereo/100W Peak Class-D Amplifiers

Texas Instruments TPA3220 50W Stereo/100W Peak HD Analog-Input Pad-Down Class-D Amplifiers offer an efficient operation with available power, idle and standby modes. A closed-loop feedback with bandwidth up to 100kHz is featured, providing low distortion across the audio band and delivering excellent sound quality. The device operates with either AD or low idle-current HEAD (High-Efficiency AD) modulation. This allows a continuous drive up to 2 x 60W or 2 x 110W peak into the 4Ω load with the thermal pad on the bottom connected to the PCB. Multiple inputs are available using a single-ended or differential analog-input interface with selectable gains of 18dB, 24dB, 30dB, and 34dB to simplify the pre-amp design. Using 70mΩ MOSFETs, an optimized gate drive scheme, and low-power operating modes, the TPA3220 achieves >90% efficiency, low idle power (<0.25W), and ultra-low standby power (<0.1W). The device integrates essential protection features, including undervoltage, cycle-by-cycle current limit, short circuit, clipping detection, overtemperature warning, shutdown, and DC speaker protection, further simplifying the design.

Features

  • Stereo (2 x BTL) and Mono (1 x PBTL) operation
    • Output power at 10% THD+N
      • 60W Stereo continuous into 8Ω in BTL
      • 110W Stereo peak into 4Ω in BTL
  • Output power at 1% THD+N
    • 50W Stereo continuous into 8Ω in BTL
    • 89W Stereo peak into 4Ω in BTL
  • 5V Gate drive or built-in LDO for optional single-supply operation
  • Closed-loop feedback design
    • Signal bandwidth up to 100kHz for high-frequency content from HD sources
    • 0.02% THD+N at 1W into 4Ω
    • 60dB PSRR (BTL, No input signal)
    • <72µV Output noise (A-Weighted)
    • >108dB SNR (A-Weighted)
    • AD or HEAD Modulation schemes
  • Low-power operating modes
    • Standby modes, including mute and low idle-current HEAD modulation scheme
    • Single-channel BTL operation
  • Multiple input options to simplify pre-amp design
    • Differential or single-ended analog inputs
    • 18dB, 24dB, 30dB, 34dB Selectable gains
  • Integrated protection, including undervoltage, cycle-by-cycle current limit, short circuit, clipping detection, overtemperature warning and shutdown, and DC speaker protection
  • 90% Efficient Class-D operation (4Ω)
  • Thermal pad is located on the package's bottom
  • Pin-compatible family of devices with voltage and power-level options

Applications

  • BLUETOOTH® and Wi-Fi™ speakers
  • Sound bars
  • Subwoofers
  • Bookshelf stereo systems
  • Professional and Public Address (PA) speakers

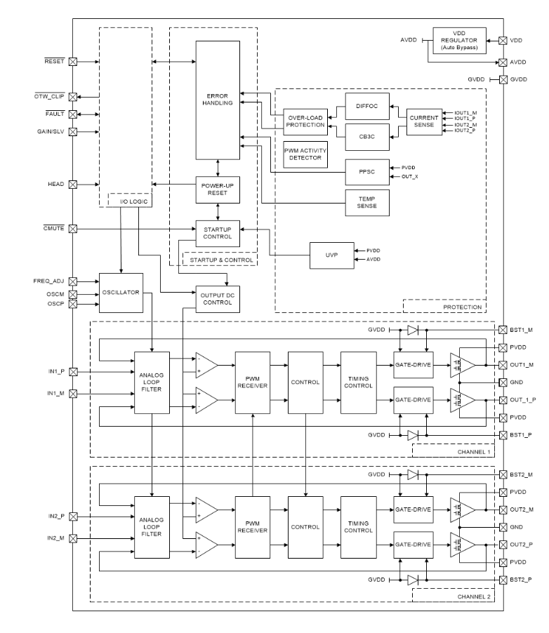
Block Diagram

Block Diagram - Texas Instruments TPA3220 50W Stereo/100W Peak Class-D Amplifiers
Published: 2018-08-08 | Updated: 2023-02-06