Texas Instruments TLV770 Low-Dropout (LDO) Linear Regulators
Texas Instruments TLV770 Low-Dropout (LDO) Linear Regulators are designed to provide a voltage source with 55dB (1MHz) high PSRR. These regulators deliver load and line transient performance that meet the requirements of various circuits. The TLV770 LDO regulators provide a 0.6V to 3.3V output voltage range and 2% output voltage accuracy. These regulators include an internal soft-start circuit to avoid excessive inrush current and reduce the input voltage drop during start-up. The TLV770 LDO regulators operate within the −40°C to 125°C temperature range and 1.4V to 5.5V voltage range. These LDO regulators are used in smartphones, tablets, set-top boxes, gaming consoles, camera modules, and streaming media players.Features
- 55dB (1MHz) High PSRR
- 1.4V to 5.5V input voltage range
- 0.6V to 3.3V fixed output voltage range
- 2% output voltage accuracy
- -40°C to 125°C operating temperature range
- 45mV at 50mA (3.3VOUT) low dropout voltage
- Active output pulldown resistor
Applications
- Smartphones
- Notebooks
- Tablets
- Gaming consoles
- Streaming media players
- Set-top boxes
- Camera modules
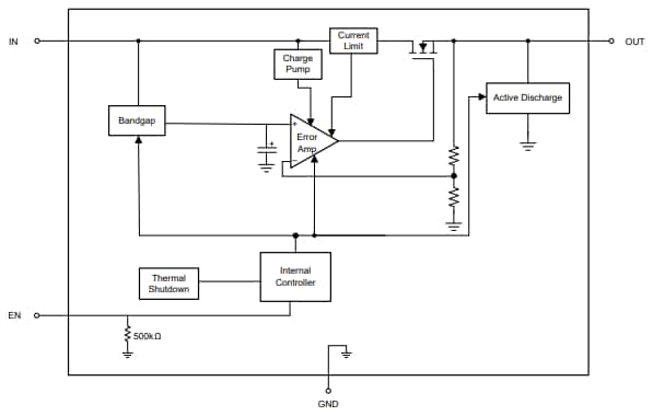
Functional Block Diagram
Application Circuit Diagram
Published: 2024-07-19
| Updated: 2025-01-20
