Texas Instruments TLC6984 48x16 Matrix LED Display Driver

Texas Instruments TLC6984 48x16 Matrix LED Display Driver is a highly-integrated common cathode matrix LED display driver with 48 constant current sources and 16 scanning FETs. Besides driving 16 × 16 and 32 × 32 RGB LED pixels as TLC6983, three TLC6984s are capable of driving 48 × 48 RGB LED pixels, and stacking four TLC6984s can drive 64 × 64 RGB LED pixels. The device supports separated power supplies for the red, green, and blue LEDs by its common cathode structure to achieve low power consumption. Furthermore, the operation power of the TLC6984 is significantly reduced by ultra-low operation voltage range (VCC down to 2.5V) and ultra-low operation current (ICC down to 3.6mA).

The Texas Instruments TLC6984 implements a high-speed, dual-edge transmission interface to support high device count daisy-chained and high refresh rate while minimizing electrical-magnetic interference (EMI). The device supports up to 25MHz SCLK (external) and 40MHz to 160MHz GCLK (internal, typical values) with different GCLK multiplier modes and frequencies. Meanwhile, the device integrates enhanced circuits and intelligent algorithms to solve the various display challenges in Narrow Pixel Pitch (NPP) LED display applications and mini and micro-LED products. These challenges include dim at the first scan line, upper and downside ghosting, non-uniformity in low grayscale, coupling, and caterpillar caused by open or short LEDs, which make the TLC6984 a perfect choice in such applications.

The TLC6984 also implements LED open, weak-short, short detections, and removals during operations and can also report this information to the accompanying digital processor.

Features

  • Separated VCC and VR/G/B power supply
    • 2.5V to 5.5V VCC voltage range 
    • 2.5V to 5.5V VR/G/B voltage range 
  • 48 current source channels from 0.2mA to 20mA
    • Channel-to-channel accuracy: ±0.5% (typ.), ±2% (max.); device-to-device accuracy: ±0.5% (typ.), ±2% (max.)
    • Low knee voltage (0.26V (max.) when IOUT = 5mA)
    • 3-bits (8 steps) global brightness control
    • 8-bits (256 steps) color brightness control
    • Maximum 16-bits (65536 steps) PWM grayscale control
  • 16 scan line switches with 190mΩ RDS(ON)
  • Ultra-low power consumption
    • Independent VCC down to 2.5V
    • Lowest ICC down to 3.6mA with 50MHz GCLK
    • Intelligent power saving mode with ICC down to 0.9mA
  • Built-in SRAM to support 1 – 64 multiplexing
    • A single device with 16 multiplexing to support 48 × 16 LEDs or 16 × 16 RGB pixels
    • Dual devices stackable with 32 multiplexing to support 96 × 32 LEDs or 32 × 32 RGB pixels
    • Three devices stackable with 48 multiplexing to support 144 × 48 LEDs or 48 × 48 RGB pixels
    • Four devices stackable with 64 multiplexing to support 192 × 64 LEDs or 64 × 64 RGB pixels
  • High speed and low EMI Continuous Clock Series Interface (CCSI)
    • Only three wires: SCLK / SIN / SOUT
    • External 25MHz (max.) SCLK with dual-edge transmission mechanism (internal 50MHz)
    • Internal frequency multiplier to support high GCLK frequency
  • Optimized display performance
    • Programmable scan line sequence
    • Upside and downside ghosting removal
    • Low grayscale enhancement
    • LED open, short, and weak short detection and removal

Applications

  • Narrow Pixel Pitch (NPP) LED display
  • Mini and micro-LED products

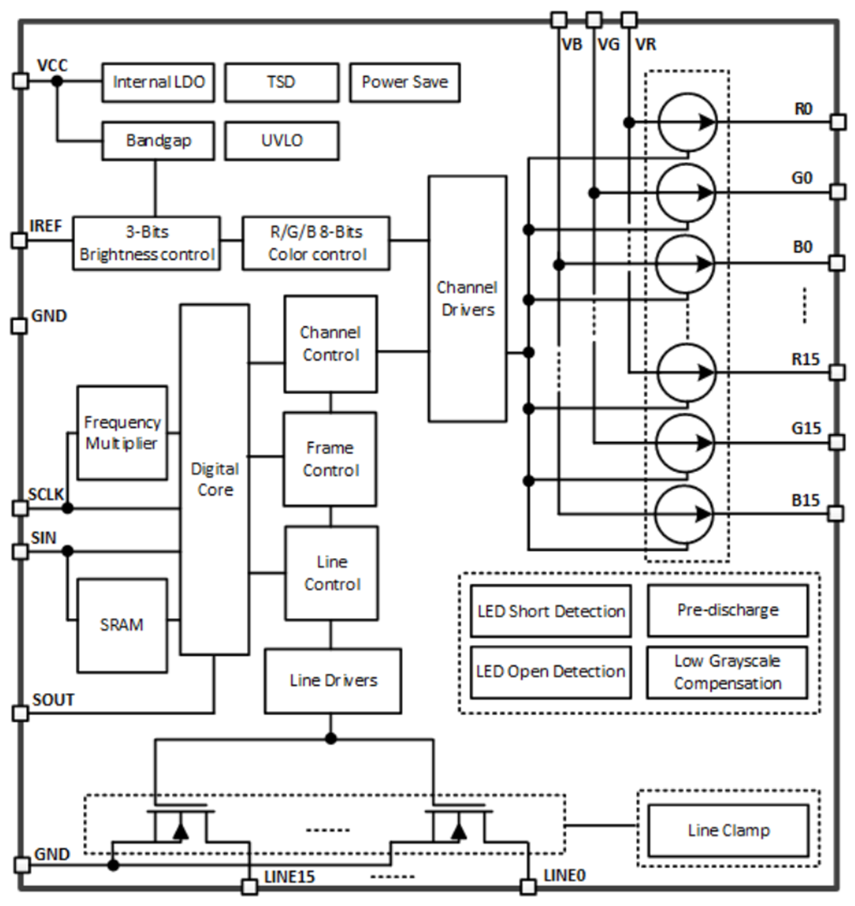
Functional Block Diagram

Block Diagram - Texas Instruments TLC6984 48x16 Matrix LED Display Driver
Published: 2022-10-05 | Updated: 2023-06-14