Texas Instruments THVD14x9x RS-485 Transceivers
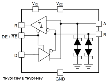
Texas Instruments THVD14x9x RS-485 Transceivers are half-duplex RS-485 transceivers with integrated surge protection. Surge protection is achieved by integrating transient voltage suppressor (TVS) diodes in the standard 8-pin SOIC (D) package. This feature increases the reliability by providing better immunity to noise transients coupled to the data cable, eliminating the need for external protection components.Texas Instruments THVD1439 and THVD1449 operate from a single 3.3V or 5V supply. The THVD1439V and THVD1449V devices support an additional VIO supply to operate the IOs from as low as 1.65V supply level. The devices in this family feature a wide common-mode voltage range making them suitable for multi-point applications over long cable runs.
Features
- Meets or exceeds the requirements of the TIA/EIA-485A standard
- 3V to 5.5V supply voltage
- VIO support from 1.65V to VCC supply level (THVD1439V, THVD1449V)
- Bus I/O protection
- ±4kV IEC 61000-4-5 1.2/50µs surge
- ±15kV IEC 61000-4-2 contact discharge
- ±15kV IEC 61000-4-2 air-gap discharge
- ±4kV IEC 61000-4-4 electrical fast transient
- ±15kV HBM ESD
- ±15V DC bus fault
- Available in two-speed grades
- THVD1439, THVD1439V: 250kbps
- THVD1449, THVD1449V: 12Mbps
- -40°C to 125°C extended ambient temperature range
- ±12V extended operational common-mode range
- Large receiver hysteresis for noise rejection
- Low power consumption
- 3µA standby supply current
- < 5mA current during operation
- Glitch-free power-up/down for hot plug-in capability
- Open, short, and idle bus failsafe
- 1/8 Unit load (up to 256 bus nodes)
- Industry-standard 8-pin SOIC for drop-in compatibility
Applications
- Wireless infrastructure
- Factory automation
- Motor drives
- Building automation
- HVAC
- Grid infrastructure
Published: 2022-02-24
| Updated: 2022-09-07
