Texas Instruments SN74LVC165A/SN74LVC165A-Q1 Shift Registers

Texas Instruments SN74LVC165A/SN74LVC165A-Q1 Shift Registers are 8-bit parallel-load registers with serial (SER) input to allow for daisy chaining and a standard and inverted output. The data is loaded to the device asynchronously using the shift or load select pin. These shift registers support partial-power-down with back drive protection and feature 20ns maximum propagation delay time at 3.3V. The SN74LVC165A-Q1 registers are AEC-Q100 qualified for automotive applications. These shift registers are used to increase the number of inputs on a microcontroller and in read-in-board revision.

Features

  • Supports partial-power-down with back drive protection
  • High push-pull output drive strength:
    • ±24mA at 3.3V
    • ±8mA at 2.3V
    • ±4mA at 1.65V
  • 20ns maximum propagation delay time at 3.3V
  • Over-voltage tolerant inputs support up to 5.5V
  • 1.1V to 3.6V operating voltage range
  • SN74LVC165A-Q1:
    • AEC-Q100 qualified for automotive applications:
      • Device temperature grade 1: -40°C to 125°C
      • Device HBM ESD classification level 2
      • Device CDM ESD classification level C4B
  • Latch-up performance exceeds 100mA per JESD78

Applications

  • Increase the number of inputs on a microcontroller
  • Read in board revision

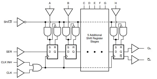
Block Diagram

Block Diagram - Texas Instruments SN74LVC165A/SN74LVC165A-Q1 Shift Registers

Application Circuit Diagram

Application Circuit Diagram - Texas Instruments SN74LVC165A/SN74LVC165A-Q1 Shift Registers
Published: 2024-07-18 | Updated: 2025-05-05