Texas Instruments SN74LV4053A/SN74LV4053A-Q1 Analog Mux & Demux
Texas Instruments SN74LV4053A/SN74LV4053A-Q1 Triple Analog Mux and Demux are 2-channel CMOS analog multiplexers and demultiplexers designed for 1.65V to 5.5V VCC operation. The SN74LV4053A/SN74LV4053A-Q1 devices handle both digital and analog signals. Signals with amplitudes up to 5.5V (peak) are permitted in each channel to be transmitted in either direction. Applications include signal gating, chopping, modulation or demodulation (modem), and signal multiplexing for analog-to-digital and digital-to-analog conversion systems. The Texas Instruments SN74LV4053A-Q1 devices are AEC-Q100 qualified for automotive applications.Features
- 1.65V to 5.5V VCC operation
- Support mixed-mode voltage operation on all ports
- High on-off output-voltage ratio
- Low crosstalk between switches
- Individual switch controls
- Extremely low input current
- Latch-up performance exceeds 250mA per JESD 17
- ESD protection exceeds JESD 22
- 2000V Human-Body Model (A114-A)
- 1000V Charged-Device Model (C101)
Applications
- Telecommunications
- Infotainment
- Signal gating and isolation
- Home appliances
- Programmable logic circuits
- Modulation and demodulation
Datasheets
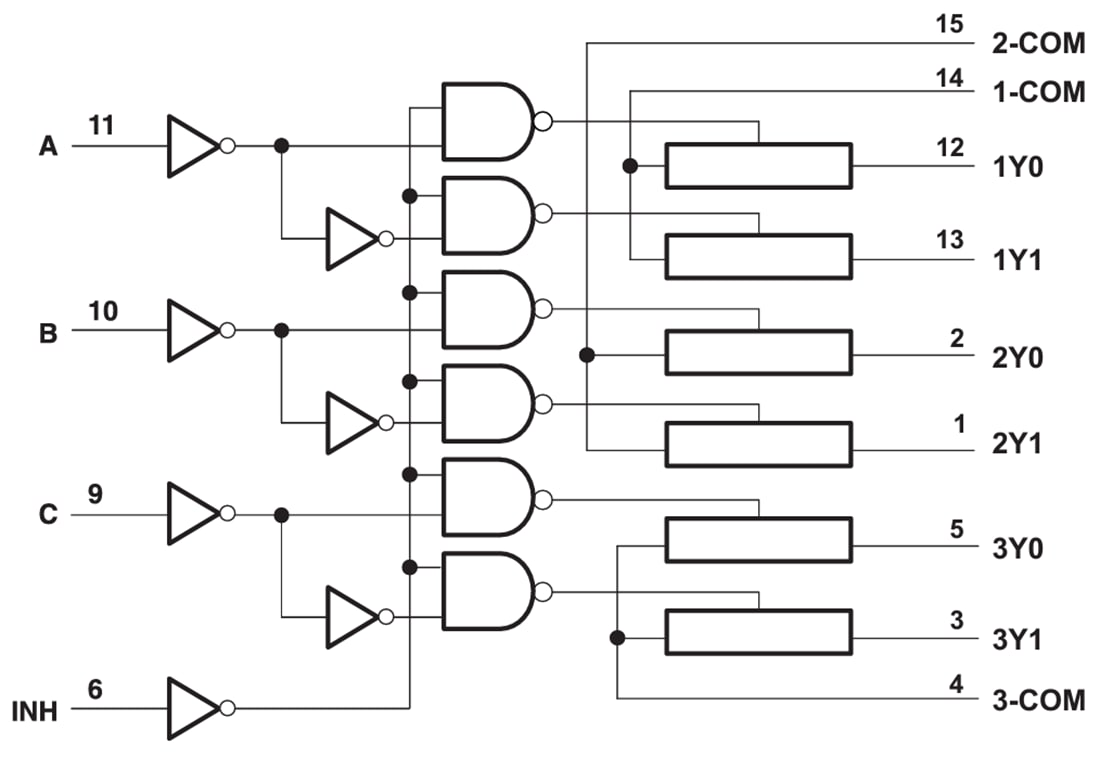
Logic Diagram (Positive Logic)
Published: 2024-11-05
| Updated: 2025-03-27
