Texas Instruments SN74HC74/SN74HC74-Q1 Dual D-Type Flip-Flops

Texas Instruments SN74HC74/SN74HC74-Q1 Dual D-Type Flip-Flops contain two independent D-type positive-edge-triggered flip-flops with asynchronous preset and clear pins for each. These devices have a wide operating voltage range of 2V to 6V and a broad operating temperature range of -40°C to +85°C. The SN74HC74-EP devices have gold bond wires, a temperature range of –55 to +105°C, and an SnPb lead finish. The Texas Instruments SN74HC74-Q1 devices are AEC-Q100 qualified for automotive applications.

Features

  • Buffered inputs
  • Operating temperature range
    • SN74HC74: -40°C to +85°C
    • SN74HC74-EP: -55°C to 125°C
    • SN74HC74-Q1: –40°C to +125°C
  • Wide operating voltage range of 2V to 6V
  • Supports fanout up to 10 LSTTL loads
  • Significant power reduction compared to LSTTL logic ICs

Applications

  • Convert a momentary switch to a toggle switch
  • Divide a clock signal by 2 or 4

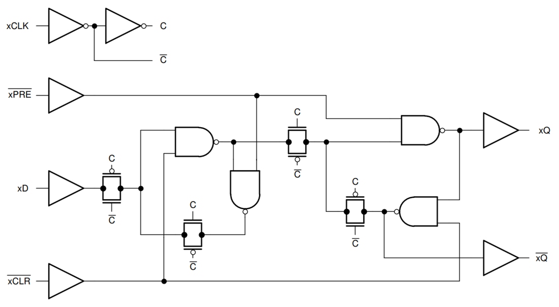
Functional Block Diagram

Block Diagram - Texas Instruments SN74HC74/SN74HC74-Q1 Dual D-Type Flip-Flops
Published: 2025-05-01 | Updated: 2025-05-09