Texas Instruments SN74AHC594/SN74AHC594-Q1 8-Bit Shift Registers

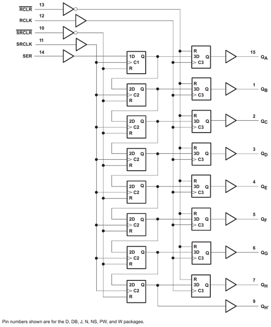
Texas Instruments SN74AHC594/SN74AHC594-Q1 8-Bit Shift Registers contain an 8-bit serial-in, parallel-out (SIPO) shift register that feeds an 8-bit D-type storage register. Separate clocks and direct overriding clear (RCLR, RCLR) inputs are provided on the shift and storage registers. A serial (QH′) output is provided for cascading purposes. The Texas Instruments SN74AHC594-Q1 devices are AEC-Q100 qualified for automotive applications.

Features

  • Operating range 2V to 5.5V VCC
  • 8-bit serial-in, parallel-out shift registers with storage
  • Independent direct overriding clears on shift and storage registers
  • Independent clocks for shift and storage registers
  • Latch-up performance exceeds 100mA per JESD 78, class II
  • ESD protection exceeds JESD 22
    • 2000V human-body model (A114-A)
    • 1000V charged-device model (C101)

Applications

  • Network switches
  • Power infrastructures
  • PCs and notebooks
  • LED displays
  • Servers

Logic Diagram (Positive Logic)

Block Diagram - Texas Instruments SN74AHC594/SN74AHC594-Q1 8-Bit Shift Registers
Published: 2024-04-26 | Updated: 2025-06-06