Texas Instruments SN65DSI86/SN65DSI86-Q1 DSI to eDP Bridge
Texas Instruments SN65DSI86/SN65DSI86-Q1 DSI to embedded DisplayPort (eDP) Bridge features a dual-channel MIPI D-PHY receiver front-end configuration with four lanes per channel operating at 1.5Gbps per lane and a maximum input bandwidth of 12Gbps. The bridge decodes MIPI DSI 18bpp RGB666 and 24bpp RGB888 packets. The device also converts the formatted video data stream to a DisplayPort with up to four lanes at either 1.62Gbps, 2.16Gbps, 2.43Gbps, 2.7Gbps, 3.24Gbps, 4.32Gbps, or 5.4Gbps. The SN65DSI86/SN65DSI86-Q1 is well suited for WQXGA (2560 × 1600) at 60 frames per second, as well as 3D Graphics at 4K and true HD (1920 × 1080) resolutions at an equivalent 120fps with up to 24bpp. Partial line buffering accommodates the data stream mismatch between the DSI and DisplayPort interfaces. The Texas Instruments SN65DSI86-Q1 devices are AEC-Q100 qualified for automotive applications.Features
- Embedded DisplayPort™ ( eDP™) 1.4 compliant supporting 1, 2, or 4 lanes at 1.62Gbps (RBR), 2.16Gbps, 2.43Gbps, 2.7Gbps (HBR), 3.24Gbps, 4.32Gbps, or 5.4Gbps (HBR2)
- Implements MIPI D-PHY version 1.1 physical layer front-end and display serial interface (DSI) version 1.02.00
- Dual-channel DSI receiver configurable for one, two, three, or four D-PHY data lanes per channel operating up to 1.5Gbps per lane
- Supports 18bpp and 24bpp DSI video packets with RGB666 and RGB888 formats
- Suitable for 60fps 4K 4096 × 2304 resolution at 18bpp color, and WUXGA 1920 × 1200 resolution with 3D graphics at 60fps (120fps equivalent)
- MIPI front-end configurable for single-channel or dual-channel DSI configuration
- Supports dual-channel DSI odd, even, left, and right operating modes
- 1.2V main VCC power supply and 1.8V supply for digital I/Os
- Low-power features include panel refresh and MIPI ultralow power state (ULPS) support
- DisplayPort lane polarity and assignment configurable
- Supports 12MHz, 19.2MHz, 26MHz, 27MHz, and 38.4MHz frequencies through external reference clock (REFCLK)
- ESD rating ±4kV (HBM)
- Packaged in 64ball 5mm x 5mm nFBGA (ZXH)
- I2C configurable
- –40°C to +85°C temperature range
Applications
- PC and notebooks
- Tablets
- Retail automation and payment
- Test and measurement
- Factory automation and control
Datasheets
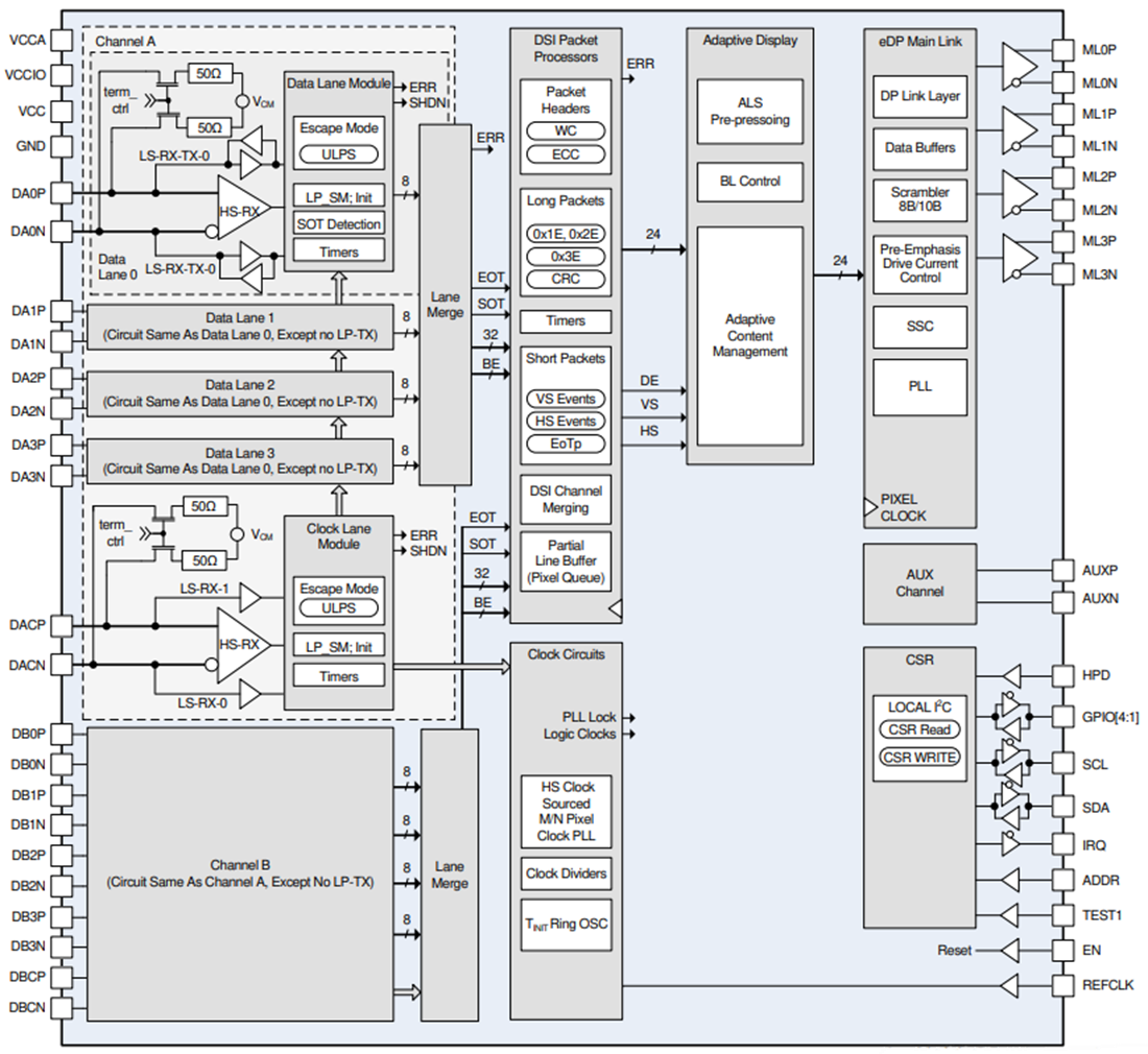
Functional Block Diagram
Published: 2020-12-16
| Updated: 2024-10-21
