Texas Instruments OPAx187 Zero-Drift Operational Amplifiers
Texas Instruments OPAx187 Zero-Drift Operational Amplifiers use auto-zeroing techniques to simultaneously provide low-offset voltage (1µV) and near-zero drift over time and temperature. These miniature, high-precision, low quiescent current amplifiers offer high input impedance and rail-to-rail output swing within 5mV of the rails into high-impedance loads. The input common-mode range includes the negative rail. Either single or dual supplies can be used in the range of 4.5V to 36V (±2.25V to ±18V). The single version of the Texas Instruments OPAx187 is available in Microsize 8-pin VSSOP, 5-pin SOT-23, and 8-pin SOIC packages. The dual version is offered in 8-pin VSON, 8-pin VSSOP, and 8-pin SOIC packages. The quad version is offered in 14-pin SO and 14-pin TSSOP packages.Features
- 10µV (maximum) low offset voltage
- 0.005µV/°C zero drift
- 20nV/√Hz low noise
- PSRR - 160dB
- CMRR - 140dB
- AOL - 160dB
- 100µA quiescent current
- ±2.25V to ±18V wide supply voltage
- Rail-to-rail output operation
- Input includes negative rail
- 100pA (typical) low bias current
- EMI filtered inputs
- Microsize packages
Applications
- Bridge amplifier
- Strain gauge
- Test and measurement equipment
- Transducer application
- Temperature measurement
- Electronic scales
- Medical instrumentation
- RTD amplifier
- Precision active filters
- Low-side current monitoring
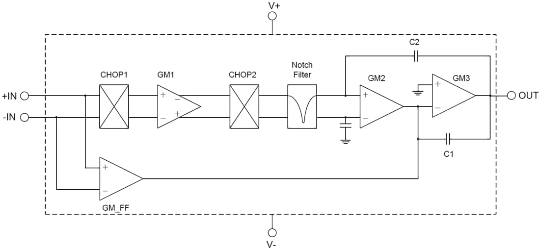
Functional Block Diagram
Published: 2017-02-10
| Updated: 2022-03-28
