EPCOS / TDK ADF32T Data & Signal Line Chokes
EPCOS / TDK ADF32T Data and Signal Line Chokes offer a rated voltage of 42VAC and 80VDC and are qualified to AEC-Q200 standards. These chokes feature ferrite I-core construction with ferrite shielding and enamel copper wire winding welded to terminals. ADF32T chokes are suitable for lead-free soldering, as referenced in JEDEC J-STD 020E, and have a temperature range of up to +125°C. EPCOS / TDK ADF32T Data and Signal Line Chokes are suitable for automotive electronics and high-speed bus interfaces.Features
- AEC-Q200 qualified
- Suitable for lead-free reflow soldering
- One-sided tinned terminals
Applications
- Automotive electronics
- High-speed bus interfaces
Specifications
- Construction
- Ferrite I-core, ferrite shielding
- Enamel copper wire winding
- Winding welded to terminals
- Temperature range up to +125°C
- 42VAC and 80VDC rated voltage
- 4.7µH inductance
- RoHS compatible
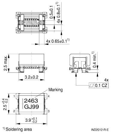
Dimensions (mm)
Published: 2024-04-30
| Updated: 2024-05-01
