Taiwan Semiconductor TLD8Sx Surface Mount Transient Voltage Suppressors

Taiwan Semiconductor TLD8Sx ESD Surface Mount Transient Voltage Suppressors feature junction passivation optimized design technology and are unidirectional. These TLD8Sx transient voltage suppressors offer a moisture sensitivity level of 1, per J-STD-020, and are packaged in DO218AB-2. The suppressors are AEC-Q101-qualified and meet ISO7637-2 and ISO16750-2 surge specifications. These suppressors feature Matte tin-plated leads and are solderable per J-STD-002 terminals. The TLD8Sx ESD suppressors operate at 8W power dissipation, 6.6kW peak pulse power dissipation, and -55C° to 175C° temperature range. These suppressors are RoHS-compliant and Halogen-free. The TLD8Sx transient voltage suppressors are used in transient surge protection and automotive load dump surge protection.

Features

  • AEC-Q101 qualified
  • Unidirectional and bidirectional types
  • Junction passivation optimized design technology
  • Moisture sensitivity level: level 1, per J-STD-020
  • Meets IEC 61000-4-2 (Level: 4) / ISO 10605 (Level: L4)
  • RoHS compliant
  • Halogen-free

Specifications

  • 8W steady state power dissipation
  • 6.6kW peak pulse power dissipation
  • -55C° to 175C° operating temperature range

Applications

  • Transient surge protection
  • Automotive load dump surge protection

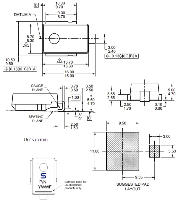
Dimension Diagram

Mechanical Drawing - Taiwan Semiconductor TLD8Sx Surface Mount Transient Voltage Suppressors
View Results ( 19 ) Page
Part Number Working Voltage Clamping Voltage Breakdown Voltage Ipp - Peak Pulse Current
TLD8S10CAH 10 V 17 V 11.1 V 388 A
TLD8S11CAH 11 V 18.2 V 12.2 V 363 A
TLD8S12CAH 12 V 19.9 V 13.3 V 332 A
TLD8S13CAH 13 V 21.5 V 14.4 V 307 A
TLD8S14CAH 14 V 23.2 V 15.6 V 284 A
TLD8S15CAH 15 V 24.4 V 16.7 V 270 A
TLD8S16CAH 16 V 26 V 17.8 V 254 A
TLD8S17CAH 17 V 27.6 V 18.9 V 239 A
TLD8S18CAH 18 V 29.2 V 20 V 226 A
TLD8S20CAH 20 V 32.4 V 22.2 V 204 A
Published: 2024-01-08 | Updated: 2024-01-22