Taiwan Semiconductor BC807-25H & BC807-40H PNP Transistors
Taiwan Semiconductor BC807-25H and BC807-40H PNP Transistors are AEC-Q101 qualified small signal transistors with 300mW power dissipation. These transistors feature high current, low power loss, and high efficiency, making them ideal for automated placement. The BC807-25H and BC807-40H PNP transistors offer 417°C/W junction-to-ambient thermal resistance, 100MHz transition frequency, and 7pF output capacitance. These PNP transistors are RoHS compliant, halogen-free, and come in a small SOT-23 package. The BC807-25H and BC807-40H PNP transistors are ideally used in general switching and amplification applications.Features
- AEC-Q101 qualified
- High current
- Low power loss and high efficiency
- 300mW power dissipation
- 7pF output capacitance
- 100MHz transition frequency
- 417°C/W junction-to-ambient thermal resistance
- -55°C to 150°C storage temperature range
- Ideal for automated placement
- Moisture Sensitivity Level-1 (MSL-1), per J-STD-020
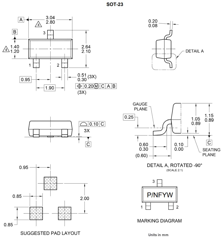
- SOT-23 package
- RoHS compliant
- Halogen-free
Applications
- General switching and amplification
Package Dimensions
Published: 2025-06-30
| Updated: 2025-07-10
