STMicroelectronics STGIPQ8C60T SLLIMM Nano 2nd Series IPM
STMicroelectronics STGIPQ8C60T SLLIMM™ Nano 2nd Series Intelligent Power Modules (IPM) are designed to permit a better and easy screw-on heatsink. These IPMs provide a compact, high-performance AC motor drive in a simple, and rugged design. The Small Low-Loss Intelligent Molded Module (SLLIMM) nano series IPM includes an operational amplifier for advanced current sensing and a comparator for fault protection against overcurrent. Typical applications include 3-phase inverters for motor drives, draining and recirculation pumps, heating systems, and air-conditioning fans.
Features
- Internal bootstrap diode
- Undervoltage lockout
- Interlocking function
- Smart shutdown function
- 1500Vrms/min isolation rating
- Op-amp for advanced current sensing
- Comparator for fault protection against overcurrent
- Optimized for low electromagnetic interference
Applications
- 3-phase inverters for motor drives
- Dishwashers
- Refrigerator compressors
- Heating systems
- Air-conditioning fans
- Draining and recirculation pumps
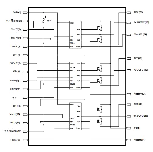
Internal Schematic and Pin Configuration
Published: 2017-11-07
| Updated: 2025-12-01
