STMicroelectronics L9305 Automotive 4-Channel Valve Drivers

STMicroelectronics L9305 Automotive 4-Channel Valve Drivers are configurable, monolithic solenoid driver ICs developed for managing linear solenoids in automatic transmission, electronic stability control, and active suspension applications. The L9305 features four channels arranged as either low or high side drivers in any assortment. The device contains the power transistor, recirculation transistor, and current sensing for both the power and recirculation transistors.

The STMicro L9305 Drivers architecture ensures redundancy of the current measurement for each channel. The regulated current is programmable from 0A to 1.5A (normal range), with a resolution of 0.25mA, or 0A to 2A (extended range), with a resolution of 0.33mA. The user can superimpose configurable dither modulation over the setpoint current.

Features

  • AEC-Q100 qualified
  • 4-channel independent LSD/HSD current-controlled drivers
    • Integrated current sense path
    • Current accuracy (in normal range)
      • ±5mA in 0 to 0.5A range
      • ±1% in 0.5A to 1.5A range
    • Current accuracy (in extended range)
      • ±15mA in 0A to 0.3A range
      • ±5% in 0.3A to 0.5A range
      • ±4% in 0.5A to 2A range
    • Max driver RDSON 375mΩ at 175°C
    • 13-bit current setpoint resolution
    • Variable and fixed frequency current control
    • Programmable dither function
    • Selectable driver slew rate control
  • Safety features
    • High-side fail-safe ENABLE switch pre-driver with VDS monitoring
    • Redundant safe ENABLE path
    • Advanced diagnosis and monitoring using BIST
    • Temperature sensor and monitoring
    • Redundant current sensing for all channels
    • Calibration and configuration memory, including CRC
    • Secure serial communications using address feedback, 5-bit CRC, frame counter, and long/short frame detection
    • Register verification
  • 32-bit SPI communications with 5-bit CRC message verification
  • PWSSO36 and TQFP48 package options
  • Full ISO26262-compliant, ASIL-D systems ready

Applications

  • Automotive
    • Chassis and safety
      • Active suspension
    • Braking system
      • ABS
      • Electronic stability control (ESC)

Block Diagram

Block Diagram - STMicroelectronics L9305 Automotive 4-Channel Valve Drivers

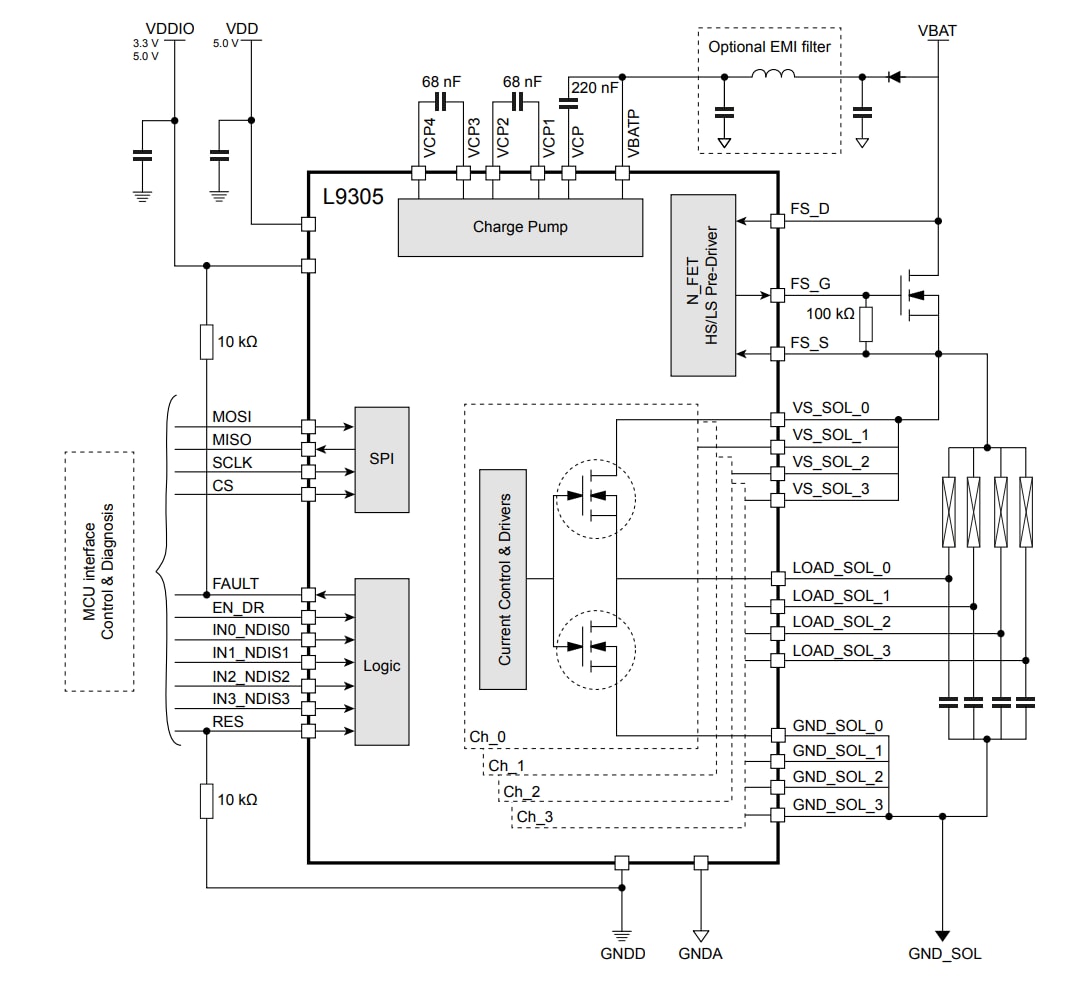
PWSSO36 Application Schematic

Schematic - STMicroelectronics L9305 Automotive 4-Channel Valve Drivers

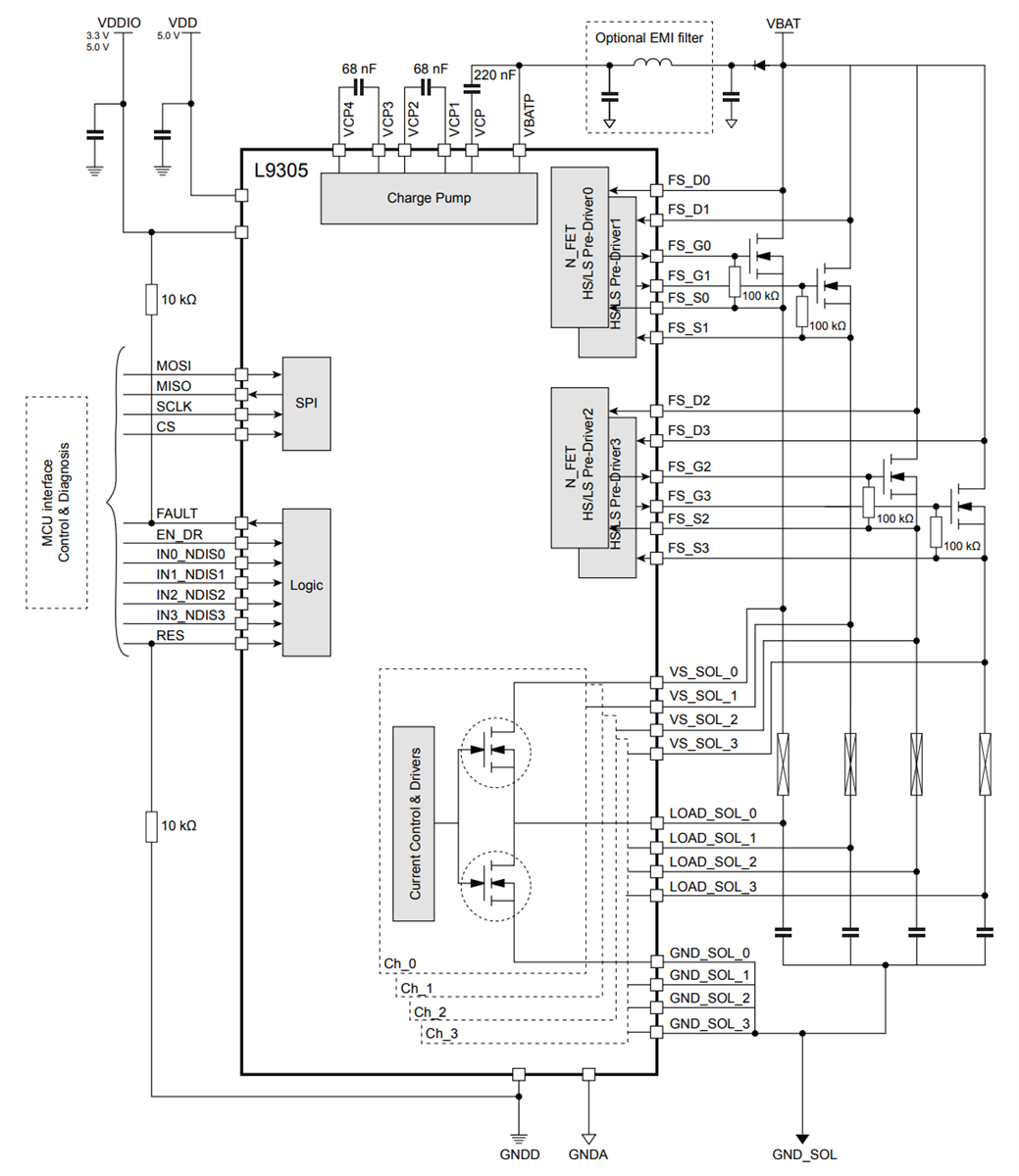
TQFP48 Application Schematic

Schematic - STMicroelectronics L9305 Automotive 4-Channel Valve Drivers
Published: 2025-08-08 | Updated: 2025-08-19