STMicroelectronics STEVAL-MKI182V2 Adapter Board

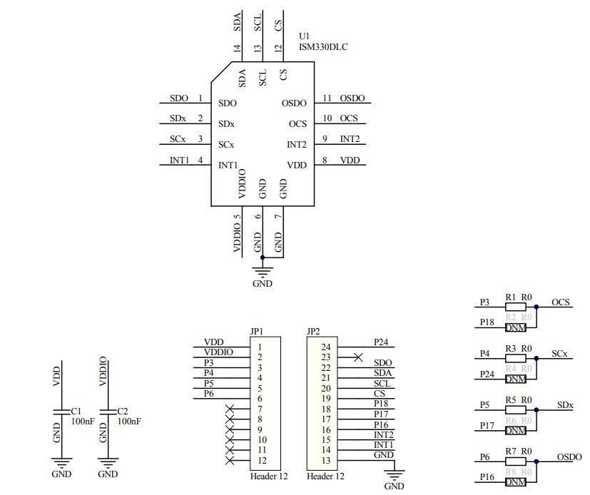
STMicroelectronics STEVAL-MKI182V2 Adapter Board is designed to evaluate MEMS devices in the ISM330DLC product family. This adapter provides the complete ISM330DLC pin-out and comes ready-to-use with the required decoupling capacitors on the VDD power supply line. The STEVAL-MKI182V2 adapter board can be plugged into a standard DIL 24 socket and offers an effective solution for fast system prototyping and device evaluation. STMicroelectronics STEVAL-MKI182V2 Adapter Board is fully compatible with STEVAL-MKI109V2 and STEVAL-MKI109V3 motherboards with a high-performance 32-bit microcontroller functioning as a bridge between the sensor and a PC.

Features

  • Facilitates the evaluation of MEMS devices in the ISM330DLC product family
    • Complete ISM330DLC pinout for a standard DIL 24 socket
  • Fully compatible with the STEVAL-MKI109V3 motherboard
    • Changing the resistor settings is also compatible with the STEVAL-MKI109V2 motherboard
  • RoHS compliant

Schematic Circuits

Schematic - STMicroelectronics STEVAL-MKI182V2 Adapter Board
Published: 2018-10-09 | Updated: 2023-02-21