STMicroelectronics PWD5T60 Three-Phase High-Density Power Drivers

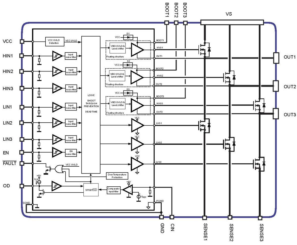
STMicroelectronics PWD5T60 Three-Phase High-Density Power Drivers feature an integrated gate driver and six N-channel power MOSFETs. The STMicroelectronics PWD5T60 drivers are ideal for motor drive applications like fans, pumps, and small appliances. The drivers feature MOSFETs with 1.38Ω RDS(on) and 500V blocking voltage. The devices' high integration enables efficient load driving in a reduced footprint, perfect for space-constrained setups.

The drivers have a dedicated input pin for each output, a shutdown pin, and CMOS/TTL compatible logic inputs down to 3.3V, which ensures easy interfacing. Matched delays between low-side and high-side sections allow distortion-free, high-frequency operation. Robustness is ensured with interlocking and deadtime functions and advanced protection features like smart ShutDown for overload and overcurrent. UVLO protections on both sides prevent low efficiency or dangerous conditions, ensuring fail-safe operation. Integrated bootstrap diodes and other features simplify PCB layout and reduce overall costs. The drivers are housed in a compact VFQFPN 12mm x 12mm x 0.95mm package.

Features

  • Power driver integrating a gate driver and high-voltage power MOSFETs RDS(on) = 1.38Ω
  • BVDSS = 500V
  • Wide input supply voltage range from 9V to 20V
  • Integrated zero-drop bootstrap diodes
  • Comparator for fast overcurrent protection with Smart ShutDown functionality
  • Overtemperature protection
  • 3.3V, 5V TTL/CMOS inputs with hysteresis
  • Matched propagation delay for all channels
  • UVLO functions on low-side and high-side
  • Interlocking and dead time functions
  • Dedicated enable pin
  • Very compact and simplified layout

Applications

  • 3-phase inverters
  • Fans and pumps
  • Home and industrial appliances
  • Refrigerator compressors

Block Diagram

Block Diagram - STMicroelectronics PWD5T60 Three-Phase High-Density Power Drivers

Videos

Published: 2024-05-30 | Updated: 2024-11-15