Gigavac G2 SIngle Pole Double Throw HV Relays
Gigavac G2 Single Pole Double Throw HV Relays offer a 15kV maximum peak operating voltage during DC or 60Hz and 1M cycles of mechanical life. These relays feature low, stable contact resistance for high carry current and low voltage drop. The G2 series relays have solder or convenient threaded HV connections and mounting options in any axis. Gigavac G2 Single Pole Double Throw HV Relays offer low loss in RF circuits and an operating temperature range of -55°C to +125°C.Features
- Low stable contact resistance
- High carry current
- Solder or convenient threaded HV connections
- Low loss in RF circuits
- Mounting options in any axis
- Low voltage drop
Specifications
- 15kV peak maximum operating voltage
- 10A to 50A continuous current range
- 15ms operate time
- 9ms release time
- 10G vibration
- 50G shock
- Capacitance
- 0.05pF across open contacts
- 1pF contacts to ground
- 1M cycles of mechanical life
- -55°C to +125°C operating temperature range
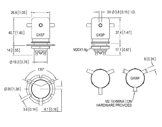
Dimensions
Published: 2023-03-28
| Updated: 2023-05-11
