ROHM Semiconductor RB-D610Q338TB52 Reference Board
ROHM Semiconductor RB-D610Q338TB52 Reference Board is a development platform designed to facilitate the evaluation and prototyping of embedded systems based on the LAPIS ML610Q338 8-bit microcontroller. This reference board provides developers with robust features, including onboard peripherals such as LEDs, buttons, and connectors, simplifying the testing and integration of external components. It supports multiple I/O interfaces, allowing seamless interaction with sensors, actuators, and other devices while offering UART communication for serial data exchange.The ROHM Semiconductor RB-D610Q338TB52 board’s flexible power supply options ensure compatibility with various external components, and its in-circuit serial programming (ICSP) interface enables easy programming and debugging. Optimized for low power consumption, the RB-D610Q338TB52 is ideal for energy-efficient applications such as IoT devices and portable products. With its compact design and comprehensive support for development and debugging, this reference board is a valuable tool for developers working with the LAPIS ML610Q338 MCU.
Features
- For use with the LAPIS ML610Q338 8-bit MCU
- Can be combined with the on-chip debug tool EASE1000 V2 and software development environment (DUT8 and MWU16) to do the following:
- Development and debugging of the MCU control software
- Programming control and sound code data to the MCU internal Flash-ROM
- Voice playback by the MCU
- Flexible I/O interfaces
- Onboard peripherals
- UART communications port
- Flexible power supply options
- Programming and debugging interface
- Low power operation
- 2V to 5.5V operating supply voltage range
- 93.98mm x 55.88mm x 18mm (WxDxH) size
Applications
- Consumer electronics
- Internet of Things (IoT) devices
- Automotive electronics
- Industrial automation
- Toys and educational products
- Security systems
- Wearables
Overview
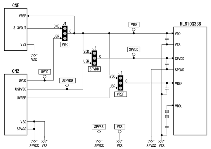
Power Circuit
PCB Layout
Published: 2024-12-20
| Updated: 2024-12-27
