ROHM Semiconductor BD95841MUVEVK-101 Evaluation Board
ROHM Semiconductor BD95841MUVEVK-101 Evaluation Board is a development and demonstration platform for the BD95841MUV Synchronous Buck DC-DC Converter. The BD95841MUVEVK-101 Evaluation Board accepts a wide power supply of 7.5V to 15.0V, and an output of 0.8V to 5.5V can be produced. The ROHM BD95841MUV features an integrated 65mΩ high-side N-channel MOSFET and 45mΩ low-side N-channel MOSFET and offers a synchronization frequency range of 500kHz to 800kHz. A fixed Soft Start circuit prevents inrush current during startup and UVLO (low voltage error prevention circuit) and TSD (thermal shutdown detection) protection circuits. An EN pin allows for simple ON/OFF control of the IC to reduce standby current consumption.Features
- BD95841MUV synchronous buck DC-DC converter
- 7.5V to 15.0V supply voltage (Vcc)
- 0.8V to 5.5V output voltage (Vout)
- 4.0A output current (Iout)
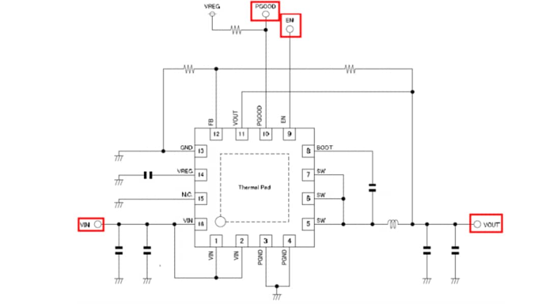
Schematic Diagram
Application Circuit
Published: 2015-05-19
| Updated: 2022-03-11
