Renesas Electronics ISL9005A Low Dropout Linear Regulators

Renesas ISL9005A Low Dropout Linear Regulators offer high performance and are capable of sourcing 300mA of current. The ISL9005A LDOs have a low standby current and high-PSRR of 75dB while being stable with an output capacitance of 1µF to 10µF and ESR of up to 200mΩ. Renesas ISL9005A is an ideal choice for portable wireless equipment when coupled with a no-load quiescent current of 50µA (typical) and 0.1µA shutdown current.

Several different fixed voltage outputs are standard, and output voltage options for each LDO range are from 1.5V to 3.3V.

Features

  • 300mA high-performance LDO
  • Excellent transient response to large current steps
  • <0.1% Voltage change across the full range of load current with excellent load regulation
  • 75dB @ 1kHz High PSRR
  • 2.3V to 6.5V Wide input voltage capability
  • 50µA quiescent current
  • 200mV @ 300mA typical low dropout voltage
  • 45µVRMS @ 100µA (1.5V) typical low output noise
  • Stable with 1µF to 10µF ceramic capacitors
  • Soft-start to limit input current surge during enable
  • Current limit and overheat protection
  • ±1.8% accuracy overall operating conditions
  • 2mm x 3mm 8 Ld DFN package
  • -40°C to +85°C operating temperature range
  • Pb-free (RoHS compliant)

Applications

  • PDAs, cell phones, and smartphones
  • Portable instruments, MP3 players
  • Handheld devices, including medical handhelds

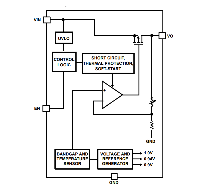
Block Diagram

Block Diagram - Renesas Electronics ISL9005A Low Dropout Linear Regulators
Published: 2019-12-03 | Updated: 2023-10-02