Renesas Electronics ISL85014EVAL1Z Evaluation Board

Renesas Electronics ISL85014EVAL1Z Evaluation Board is a demonstration and development platform for the ISL85014 Synchronous Buck Regulator. The ISL85014 is a highly efficient, monolithic, synchronous buck regulator that can deliver 14A of continuous output current from a 3.8V to 18V input supply. The ISL85014 uses current mode control architecture with a fast transient response and excellent loop stability. The ISL85014 integrates very low ON-resistance high-side and low-side FETs to maximize efficiency and minimize external component count. The minimum BOM and easy layout footprint are extremely friendly to space constraint systems.

The Renesas Electronics ISL85014EVAL1Z Evaluation Board features a pre-mounted ISL85014 in a space-saving 3.5mm x 3.5mm TQFN-15 package. The Evaluation Board provides an example application circuit, allowing rapid prototyping when incorporated into existing designs.

Features

  • Switch selectable EN (enabled/disabled)
  • Frequency synchronization option
  • Jumper selectable mode (DEM/Forced CCM)
  • Jumper selectable OCP mode (Hiccup/Latch-off)
  • Jumper selectable frequency (600kHz/300kHz)
  • Connectors and test points for easy probing
  • Compact design

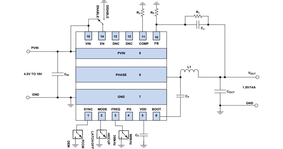
Block Diagram

Block Diagram - Renesas Electronics ISL85014EVAL1Z Evaluation Board

Board Layout

Renesas Electronics ISL85014EVAL1Z Evaluation Board
Published: 2017-06-19 | Updated: 2022-06-30