Renesas Electronics ISL78263 Cold Crank Boost & Buck Controller

Renesas Electronics ISL78263 Cold Crank Boost and Buck Controller is a dual-controller device that supports two DC-DC channels, Boost and Buck, with each supporting multiple configurations. Channel 1 operates as a Buck converter and can be configured as a fixed 3.3V, fixed 5.0V, or as an adjustable output voltage from 0.8V to 5.0V. Channel 2 is a Boost circuit that can be configured to operate in individual Boost and Cold Crank Boost. The ISL78263 is designed to support automotive systems that must continue to operate during battery dropout conditions. The Channel 2 Boost regulator maintains the voltage rail to supply the Channel 1 Buck regulator, which must remain within regulation as the battery experiences a dropout. The Boost and Buck stages can also be fully independent.

The Channel 2 Boost in Cold Crank Boost mode has an adjustable output and is active when 2.1V <VBAT <8V during the Cold Crank period. The output voltage from Channel 2 supplies the Channel 1 Buck. This can either be configured as 3.3V or 5V fixed with a direct connection from FB1 to VOUT1 or adjustable from 0.8V to 5V using a resistor divider from VOUT1 to FB1 to ground.

The ISL78263 requires a minimum input voltage of 5.65V for the start-up. The Channel 2 Boost has an input range from 2.1V to 42V while the Channel 1 Buck has an input range from 3.5V to 42V

The ISL78263 Buck operates in Energy Conservation Mode (ECM) to provide a low IQ mode by reducing quiescent current draw to 6µA typical when no external load is applied. The switching frequency is programmable in the range of 0.2MHz to 2.2MHz and can be synchronized to an external clock by using the SYNC pin. Optional spread spectrum operation allows for a reduction of the EMI and noise levels.

The Renesas Electronics ISL78263 Cold Crank Boost and Buck Controller is AEC-Q100 Grade 1 qualified and is specified to operate across an ambient temperature range of -40°C to 125°C. This device is available in a 5mm x 5mm Wettable Flank Quad Flat No-Lead (WFQFN) package. The features of the ISL78263 make it ideally suited as a front-end regulator for automotive systems that must maintain always-on operation and support severe cold-cranking transients.

Features

  • 2.1 to 42.0 VIN operating range 
  • Low quiescent current, 6µA typical, Buck channel
  • 200kHz to 2.2MHz switching frequency
  • Boost frequency at 1x or 0.2x the Buck frequency
  • Dropout mode (Buck) for high duty-cycle operation
  • 25ns on-times for low duty-cycle operation
  • External synchronization
  • Programmable spread spectrum clocking
  • 2A Sourcing / 3A sinking MOSFET drivers
  • Boot UV and programmable boot refresh time
  • Extensive protection mechanisms for OV/UV/OC/OT
  • -40°C to 125°C operating temperature range
  • 5mm x 5mm WFQFN32 package
  • AEC-Q100 Grade 1 qualified
  • RoHS Compliant

Applications

  • Automotive battery-supplied applications
  • Start-stop protected systems, such as head units, clusters, and e-Mirrors
  • In-cabin systems
  • Advanced Driver Assist Systems (ADAS)

Configuration Options

Application Circuit Diagram - Renesas Electronics ISL78263 Cold Crank Boost & Buck Controller

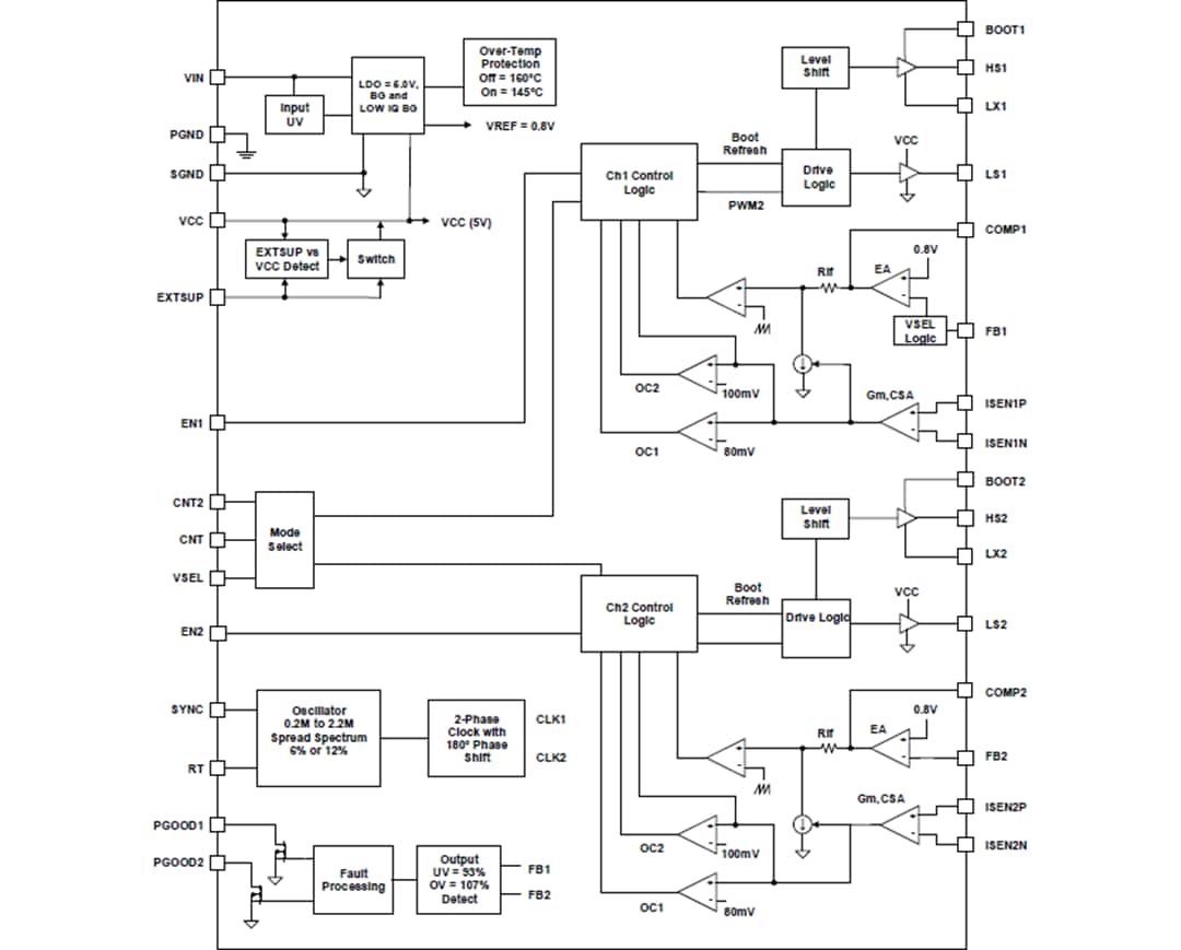
Block Diagram

Block Diagram - Renesas Electronics ISL78263 Cold Crank Boost & Buck Controller

Typical Application Circuit

Renesas Electronics ISL78263 Cold Crank Boost & Buck Controller

IVI System Application Circuit

Application Circuit Diagram - Renesas Electronics ISL78263 Cold Crank Boost & Buck Controller

Package Outline

Mechanical Drawing - Renesas Electronics ISL78263 Cold Crank Boost & Buck Controller
Published: 2020-08-03 | Updated: 2022-03-11