Renesas Electronics F1485 High Gain RF Amplifiers

Renesas Electronics F1485 High Gain RF Amplifiers are designed to operate within the 2.3GHz to 5.0GHz frequency range. Utilizing a 5V power supply, the F1485 component provides 36.5dB gain, a 3.8dB noise figure, and 27dBm OP1dB at 3.6GHz. Packaged in a 3mm2 16-VFQFPN package, the Renesas F1485 Amplifiers offer matched 50Ω input and output impedances for ease of integration into the signal path.

Features

  • 2.3GHz to 5.0GHz frequency range
  • 36.5dB typical gain at 3.6GHz
  • 3.8dB typical NF at 3.6GHz
  • 27dBm typical OP1dB at 3.6GHz
  • -41dBc ACLR with LTE-TDD 20MHz signal at POUT = 15dBm average, 8dB PAR at 0.01% probability at 3.6GHz
  • 50Ω single-ended input and output impedances
  • 5V power supply
  • 110mA typical quiescent current consumption
  • 1.8V logic compatible Standby Mode for power savings
  • -40°C to +115°C operating temperature (TEPAD) range
  • 3mm2 16-VFQFPN package

Applications

  • 5G sub-6GHz massive MIMO
  • Wireless infrastructure base stations
  • FDD or TDD systems
  • Public safety infrastructure
  • Military handhelds
  • Repeaters and DAS
  • General purpose RF

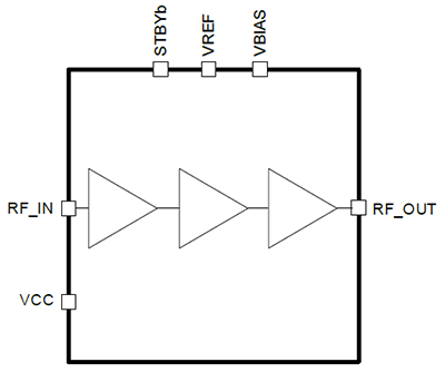
Block Diagram

Block Diagram - Renesas Electronics F1485 High Gain RF Amplifiers
Published: 2023-02-17 | Updated: 2023-08-31