Qorvo TGA2962 Wideband Power Amplifier
Qorvo TGA2962 Wideband Power Amplifier is fabricated on Qorvo's QGaN15 GaN on Silicon Carbide (SiC) process. This amplifier is designed to operate from 2GHz to 20GHz frequency bandwidth and provides 10W of saturated power with 13dB large signal gain. The TGA2962 power amplifier also provides 22% power-added efficiency at 22V drain bias. This combination of wideband, power, gain, and efficiency allows system designers to improve the system performance while reducing the size and cost. The TGA2962 amplifier is ideal for wideband communication systems, military, electronic warfare, test instrumentation, and radar applications.Features
- 2GHz to 20GHz frequency range
- 10W saturated power
- 13dB power gain (27dBm PIN)
- 20dB small signal gain
- >40dBm PSAT (27dBm PIN)
- >22% power-added efficiency (27dBm PIN)
- -40°C to +85°C operating temperature range
- Bias
- 22V drain voltage (VD)
- 1680mA drain current (IDQ)
- 3.24mm x 3.24mm x 0.10mm die dimensions
Applications
- Communication systems
- Electronic warfare
- Radar
- Test Equipment
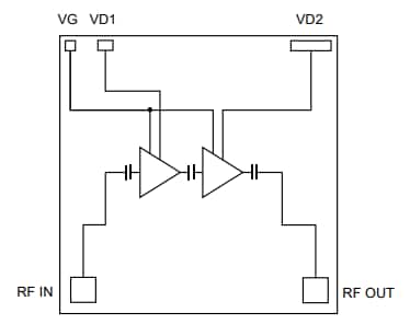
Functional Block Diagram
Published: 2020-02-27
| Updated: 2024-08-16
