Qorvo QPB8957 CATV Doubler RF Amplifier
Qorvo QPB8957 CATV Doubler RF Amplifier is a GaAs pHEMT/MESFET 75Ω IC featuring over 28dB flat gain. This RF amplifier offers low noise and low distortion at high efficiency using just 8.4W in a 40-pin 5mm x 7mm QFN package. Qorvo QPB8957 CATV Doubler RF Amplifier exhibits adjustable bias and excellent composite distortion. The compact size and low ϴJC of QPB8957 amplifier make it suitable for hybrid modules or an alternative to hybrid module applications. Typical applications include DOCSIS 3.0, broadband CATV hybrid modules, head-end CMTS equipment, and 75Ω amplifiers.Features
- 28dB at 1003MHz high gain
- Adjustable bias
- 50MHz to 1003MHz bandwidth
- 56dBmV/ch virtual 1GHz, @ 15dB tilt
- 4.5dB low noise
- Excellent composite distortion
- pHEMT / MESFET device technologies
- Compact 40-pin 5mm x 7mm QFN package
- 24V, 350mA at 8.4W power consumption
- -40°C to +100°C operating temperature range
Applications
- DOCSIS 3.1
- Broadband CATV hybrid modules
- Head-end CMTS equipment
- 75Ω amplifiers
Additional Resources
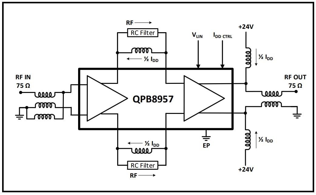
Functional Block Diagram
Published: 2019-03-11
| Updated: 2023-11-09
