Qorvo QPA9419-PCB Evaluation Board

Qorvo QPA9419-PCB Evaluation Board is designed specifically to evaluate QPA9419 high linearity 0.5W small-cell power amplifier. This board operates at a frequency range of 1.93GHz to 1.99GHz. The QPA9419-PCB board from Qorvo operates from 3.6V to 5.25V supply voltage and -40°C to +85°C operating temperature range. 

Features

  • 1.93GHz to 1.99GHz frequency range
  • 3.6V to 5.25V operating supply voltage
  • -40°C to +85°C operating temperature range

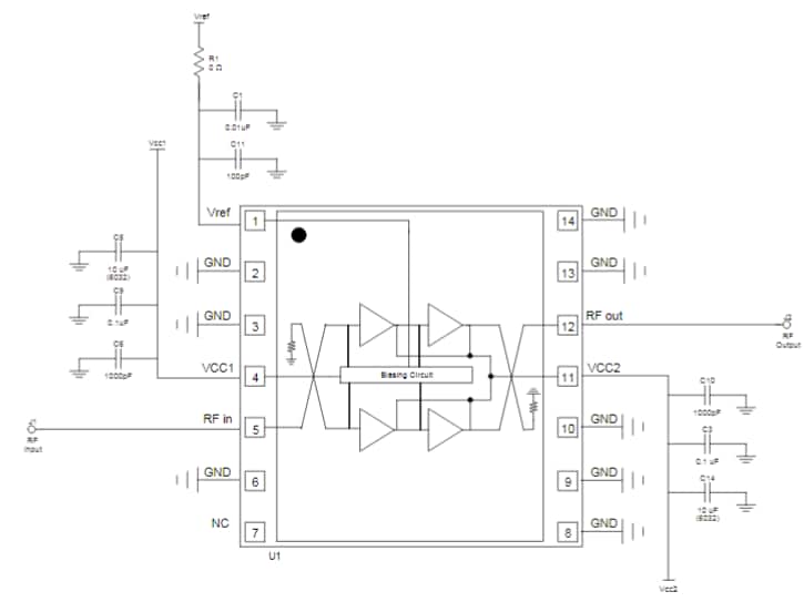
QPA9419-PCB Schematic Diagram

Schematic - Qorvo QPA9419-PCB Evaluation Board

Videos

Published: 2016-08-09 | Updated: 2022-03-11