Qorvo QPA3069 100W GaN Power Amplifier
Qorvo QPA3069 100W GaN Power Amplifier is a packaged, high-power S-band amplifier ideal for military radar systems. The amplifier covers a 2.7GHz to 3.5GHz frequency range and is fabricated on Qorvo’s production 0.25μm gallium nitride (GaN) with silicon carbide (SiC) processing (QGaN25). QPA3069 provides 50dBm saturated output power and 25dB large-signal gain while achieving 53% power-added efficiency. QPA3069 is packaged in a 7mm x 7mm 48-pin plastic overmolded package. QPA3069 MMIC has DC-blocking capacitors on both RF ports, which are matched to 50Ω.Features
- 2.7GHz to 3.5GHz frequency range
- 7mm x 7mm x 0.85mm package dimensions
- 2x channels
- 117W power dissipation
- 29.3dB gain
- 30V operating supply voltage
- -40°C to +85°C operating temperature range
Specifications
- >50dBm PSAT (PIN=25dBm)
- >53% PAE (PIN=25dBm)
- >25dB power Gain (PIN=25dBm)
- Bias: VD= 0V, IDQ = 300mA, PIN=25dBm
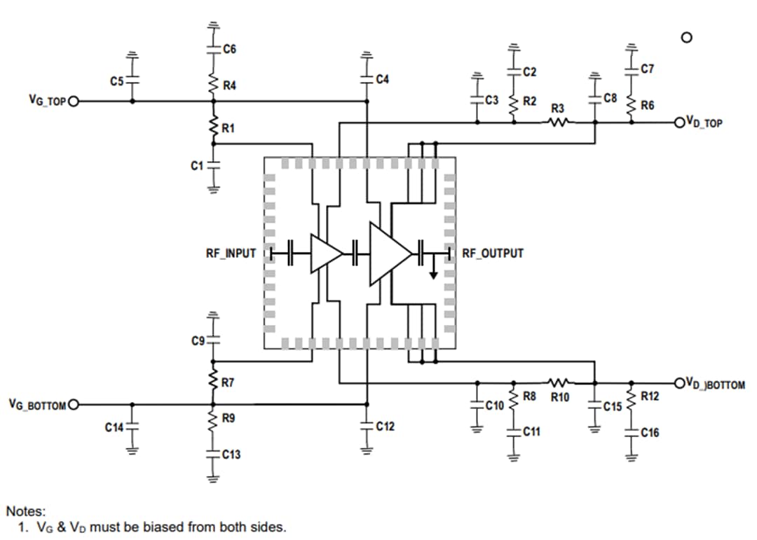
Typical Application Circuit
Block Diagram
Published: 2019-08-20
| Updated: 2023-11-28
