Qorvo QPA0524 5W GaN Power Amplifiers

Qorvo QPA0524 5W GaN Power Amplifiers are high-power, Ku-Band MMIC amplifiers fabricated using Qorvo's production 0.15µm GaN-on-SiC process (QGaN15). The Qorvo QPA0524 targets the 24.25GHz to 26.5GHz frequency range for the 5G and Satcom bands. The devices provide 400mW linear power with ACPR of -30dBc at 802.11ac 160MHz MSC9. The QPA0524 amplifiers can deliver output power up to 5W with 35dB small-signal gain and 23% power-added efficiency.

To simplify system integration, the QPA0524 is fully matched to 50Ω with DC-grounded I/O ports for optimum ESD performance. The devices are 100% DC and RF tested to ensure compliance with electrical specifications. The Qorvo QPA0524 supports 5G linear power, communications, and radar applications in commercial and military markets. 

Features

  • 24.25GHz to 26.5GHz frequency range
  • 26dBm linear output power (POUT)
  • -30dBc ACPR (POUT = 26dBm, 802.11ac)
  • 37dBm POUT [input power (PIN) = 20dBm]
  • 23% power-added efficiency (PAE) (PIN = 20dBm)
  • 23dBm small signal gain
  • 1800mA maximum drain current total
  • 31W maximum power dissipation
  • Bias
    • VD = 20V
    • IDQ = 126mA
    • VG = -2.2V typical range
  • 5.00mm x 5.50mm x 1.63mm package dimensions
  • -40°C to +85°C operating temperature range
  • Lead-free and RoHS compliant

Applications

  • 5G
  • Satellite communications
  • Radar

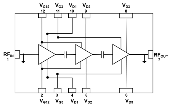
Functional Block Diagram

Block Diagram - Qorvo QPA0524 5W GaN Power Amplifiers
Published: 2024-07-01 | Updated: 2024-07-04