Panasonic ETQP4L-AFC Power Inductors
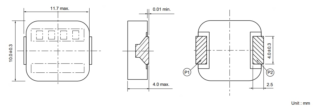
Panasonic ETQP4L-AFC Power Inductors feature a small mounting size designed for multi-phase DC/DC converter circuits. These inductors offer 21A to 30A high power, low loss, and ±5% and ±7% tighter DCR tolerance. The ETQP4L-AFC power inductors are suitable for high-frequency circuits up to 1MHz and produce low buzz noise due to the gap-less structure. These power inductors feature a shielded construction with 11.7mm × 10mm × 4mm dimensions. Typical applications include servers, routers, DC/DC converters for driving CPUs, and notebook and desktop PC power supply modules.Features
- 21A to 30A high power
- Low loss (DCR: 0.76mΩ to 1.58mΩ)
- ±5% and ±7% tighter DCR tolerance
- Suitable for high-frequency circuits (up to 1MHz)
- Low buzz noise due to its gap-less structure
- Shielded construction
- 11.7mm × 10mm × 4mm dimensions
- RoHS compliant
Applications
- Notebook and Desktop PC power supply modules
- Servers
- Routers
- DC/DC converters for driving CPUs
Performance Characteristics
Dimensions
Additional Resources
Published: 2022-06-08
| Updated: 2024-03-12
