onsemi NXH020U90MNF2 Silicon Carbide (SiC) Modules
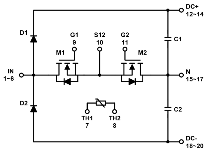
onsemi NXH020U90MNF2 Silicon Carbide (SiC) Modules are Vienna SiC modules with 2x 10mohm 900V SiC MOSFET switches. The onsemi devices also have 2x 100A 1200V SiC diodes and a thermistor. The NXH020U90MNF2 is housed in an F2 package. The SiC MOSFET switches use M2 technology and are driven with a 15V to 18V gate drive.Features
- Neutral point is 10mΩ, 900V SiC MOSFETs
- Boost diodes are 100A, 1200V SiC diodes
- Thermistor
- Pre-applied TIM
- Press-fit pins
- Devices are Pb-free, Halide free, and RoHS compliant
Applications
- Electric vehicle charging stations
- Uninterruptible Power Supplies (UPS)
- Energy storage systems
Schematic Diagram
Published: 2022-11-14
| Updated: 2024-06-18
