onsemi NFL25065L4BT SPM® 2 32 Intelligent Power Module
onsemi NFL25065L4BT SPM® 2 32 Intelligent Power Module is designed to provide a fully featured, high-performance Interleaved PFC (Power Factor Correction) input power stage for consumer, medical, and industrial applications. This module integrates the optimized gate drive of the built-in Insulated Gate Bipolar Transistor (IGBT) to minimize Electromagnetic Interference (EMI) and losses. The NFL25065L4BT provides multiple on-module protection features, including under-voltage lockout, over-current shutdown, thermal monitoring, and fault reporting. This device also includes a full-wave rectifier and high-performance output SiC diode for additional space savings and mounting convenience.Features
- UL Certified No. E209024 (UL1557)
- 650V, 50A 2-phase interleaved PFC with integral gate drivers and protection
- Low thermal resistance using Al2O3 DBC substrate
- Full-wave bridge rectifier and high-performance output SiC boost diode
- Low-loss field stop 4th generation IGBT
- Optimized for 20kHz switching frequency
- Built-in NTC thermistor for temperature monitoring
- Isolation rating of 2500Vrms / 1 min
- RoHS compliant
Applications
- 2−phase interleaved PFC converter (AC 200V Class)
- Commercial HVAC
Block Diagram
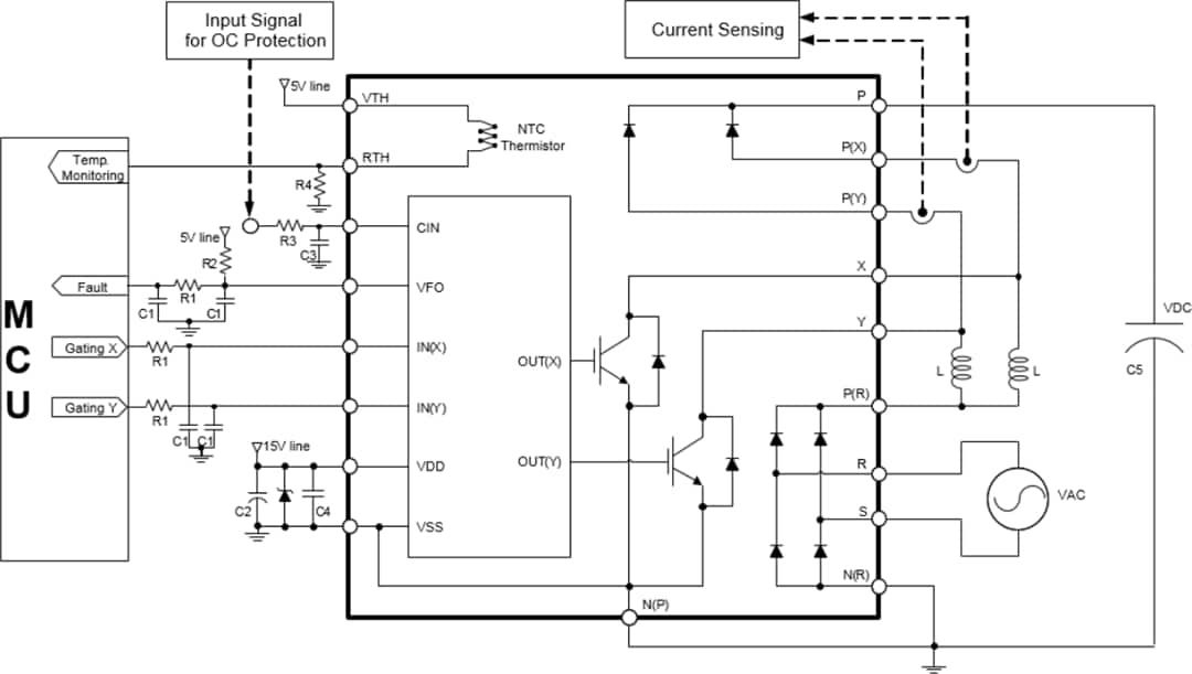
Typical Application Circuit
Published: 2019-09-10
| Updated: 2024-06-24
