onsemi NFAL5065L4BT & NFAL7565L4BT SPM® 49 Power Modules

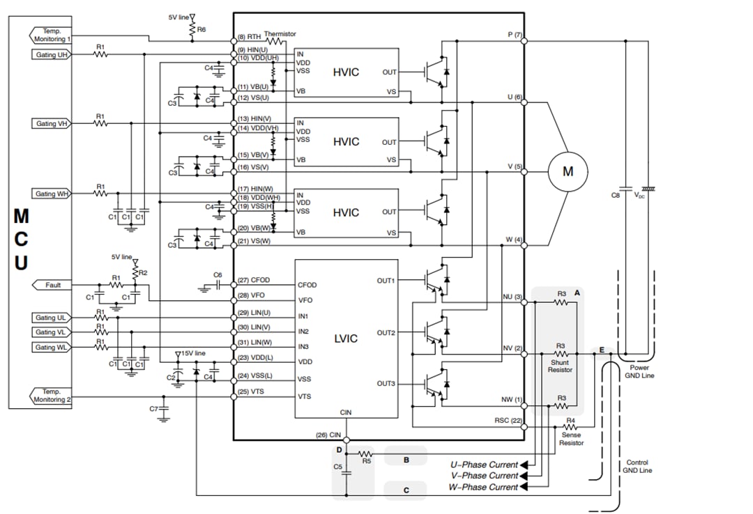
onsemi NFAL5065L4BT and NFAL7565L4BT SPM® 49 Power Modules are designed to provide a fully featured, high-performance inverter output stage for AC induction, brushless DC (BLDC) motors, and permanent magnet synchronous motors (PMSM). These modules integrate optimized gate drives of their built-in insulated gate bipolar transistors (IGBTs) to minimize electromagnetic interference (EMI) and losses. These devices provide multiple on-module protection features, including under-voltage lockouts, over-current shutdown, thermal monitoring of the drive IC, and fault reporting. Separate negative IGBT terminals are available for each phase to support various control algorithms.

Features

  • UL Certified No. 209204 (UL1557)
  • 650V 50A (NFAL5065L4BT) / 75A (NFAL5065L4BT) 3-phase IGBT inverter with integral gate drivers and protection
  • Low-loss, short-circuit rated IGBTs (FS4)
  • Low thermal resistance using Al2O3 DBC substrate
  • Built-in bootstrap diodes and dedicated Vs pins simplify PCB layout
  • Single-grounded power supply
  • Separate open-emitter pins from low-side IGBTs for 3-phase current sensing
  • Integrated NTC thermistor for temperature monitoring and management
  • Adjustable over-current protection via integrated sense IGBTs
  • 2500Vrms isolation rating 
  • RoHS compliant

Applications

  • HVAC
  • AC induction
  • Factory automation
  • Robotics

Block Diagram

Block Diagram - onsemi NFAL5065L4BT & NFAL7565L4BT SPM® 49 Power Modules

Typical Application Circuit

Application Circuit Diagram - onsemi NFAL5065L4BT & NFAL7565L4BT SPM® 49 Power Modules
Published: 2019-09-10 | Updated: 2024-02-09