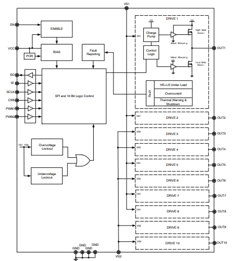
onsemi NCV7725B 10-Channel Half-Bridge Driver
onsemi NCV7725B 10-Channel Half-Bridge Driver includes protection features designed specifically for automotive and industrial motion control applications. This driver offers independent controls and diagnostics and can be operated in forward, reverse, brake, and high-impedance states. onsemi NCV7725B Half-Bridge Driver is daisy chain compatible and controlled via a 16-bit SPI interface. Outputs 1 and 2 of the driver can be controlled through an external PWM signal. This driver also offers low quiescent current sleep mode, integrated freewheeling protection (LS and HS), under-voltage and overvoltage lockout, overcurrent protection, and overtemperature protection. The NCV7725B driver is ideal for automotive, industrial, and DC motor management for HVAC applications.Features
- Low quiescent current sleep mode
- High-side and low-side drivers connected in half-bridge configurations
- Integrated freewheeling protection (LS and HS)
- 500mA typical current
- 1.1A peak current
- 0.8Ω typical RDS(on)
- OUT1 and OUT2 external PWM control
- 5MHz SPI communication
- 16-bit frame error detection
- Daisy chain compatible with multiples of 8-bit devices
- Complies with 3.3V and 5V systems
- Undervoltage and overvoltage lockout
- Per-channel fault reporting
- Overcurrent protection
- Overtemperature protection
- Underload detection (HS and LS)
- Exposed pad package
- NCV prefix for automotive and other applications requiring unique site and control change requirements
- AEC-Q100 qualified
- PPAP capable
- Lead-free device
Applications
- Automotive
- Industrial
- DC motor management for HVAC applications
Block Diagram
Typical Application Circuit
Published: 2020-05-20
| Updated: 2024-06-06
