onsemi FUSB251 Type-C™ CC/SBU Protection IC
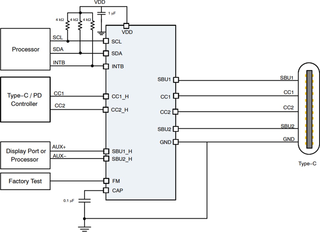
onsemi FUSB251 Type-C™ CC and SBU Protection IC is an I2C-controlled Over Voltage Protection Switch designed to function on the CC and SBU pins of a Type-C interface port. The device has SPST switches on CC1/2 and SBU1/2 which are enabled automatically with valid VDD so that the Type-C PD controller can use the over-voltage-protected CC path. The FUSB251 has Dead Battery Mode and CC pulled down with Rd so the source device can provide Vbus for battery charging. The FUSB251 also features moisture detection on both the CC and SBU paths with ADC detection. Once moisture is detected an interrupt is generated and corresponding the register is updated to notify the host. The FUSB251 has on-chip IEC protection with surge protection on both the CC and SBU paths. Both CC and SBU ports are 20VDC tolerant.The FUSB251 is offered in a compact 1.49mm x 2.06mm x 0.574mm 15-ball Wafer Level Chip Scale Package (WLCSP), ideal for space constrained applications.
Features
- Low Ron SPST switches on both CC1/2 and SBU1/2 path for USB Type-C
- Dead battery mode provides default Rd presenting on CC1/2
- 24VDC tolerant on CC and SBU
- ±35V surge protection on CC and SBU
- Over-voltage protection on CC and SBU
- I2C interface with a processor and interrupt for event notification
- Moisture detection on CC and SBU pins
- On-chip IEC ESD protection with an external capacitor on the CAP pin
- CC Ron 0.3Ω typical
- SBU Ron 3Ω typical
- 50MHz bandwidth on the SBU switch
- WLCSP-15 package type
- 1.49mm x 2.06mm x 0.574mm package dimensions
Applications
- Smartphones
- Tablets, netbooks, and ultra-mobile PCs
- Gaming devices and E-books
- Portable devices with Li-ion battery
- External USB storage
Typical Application Circuit
Block Diagram
Published: 2019-04-17
| Updated: 2024-01-30
