NXP Semiconductors GD3000 3-Phase Brushless Motor Pre-Drivers
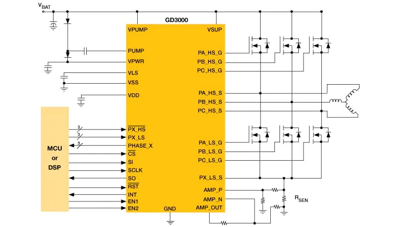
NXP Semiconductors GD3000 3-Phase Brushless Motor Pre-Drivers are highly efficient gate driver ICs for three-phase motor drive applications. The NXP Semiconductors GD3000 features three half-bridge drivers, each capable of driving two N-channel MOSFETs. With a peak current capability ranging from 1A to 2.5A, this pre-driver operates on a single power supply with a broad range from 6V to 60V and incorporates 75V transient protection. Utilizing a bootstrap gate driver architecture with trickle charge circuitry, the GD3000 supports a 100% duty cycle. Additionally, it employs programmable cross-talk protection to prevent current flow during high-side or low-side MOSFET switching. Integrated VDS sensing of both MOSFETs safeguards the external power stage against over-current conditions. Including a current shunt amplifier enables accurate current measurement for phase error detection.Features
- Fully specified from 8V to 40V covering 12V and 24V automotive systems
- Extended operating range from 6V to 60V covering 12V and 42V systems
- Includes a charge pump to support full FET drive at low battery voltages
- Simultaneous output capability enabled via safe SPI command
- Temperature ranges
- -40°C to +125°C
- -20°C to +105°C
- Wide dead time range (50ns to 12μs) programmable via the SPI port
- External FET gate drive capability of >1A with protection
- Device protection against reverse charge-injection from CGD and CGS of external FETS
- Integrated overcurrent, desaturation, and phase fault-detection
- Immunity against positive or negative transient voltage spikes on the gate driver
- Current shoot-through protection built into dead time control
- Supports direct 3.3V and 5V logic interface to MCUs
- Integrated current sensing amplifier
- Device configuration and diagnostics through the SPI
- Parallel and SPI Interface and input controllers
Applications
- Braking and stability control
- Diesel engine management
- Electric Power Steering (EPS)
Block Diagram
Published: 2024-01-22
| Updated: 2024-03-29
