Nexperia NEVB-NID5100 Evaluation Board

Nexperia NEVB-NID5100 Evaluation Board is a two-layer Printed Circuit Board (PCB) equipped with two NID5100 ideal diodes and one PMOS transistor. This board asses performance across various use cases such as OR-ing, OR-ing with an external PMOS transistor, priority OR-ing, and reverse polarity protection. The NEVB-NID5100 evaluation board features a 1.2V to 5.5V input operating voltage range and a 1.5A continuous output current. This board includes three supply inputs and two additional USB-C™ supply inputs.

Features

  • 1.2V to 5.5V input operating voltage range (VIN)
  • 1.5A continuous output current
  • Three supply inputs
  • Two additional USB-C™ supply inputs
  • Access to all device pins
  • Use case selection by means of jumpers 

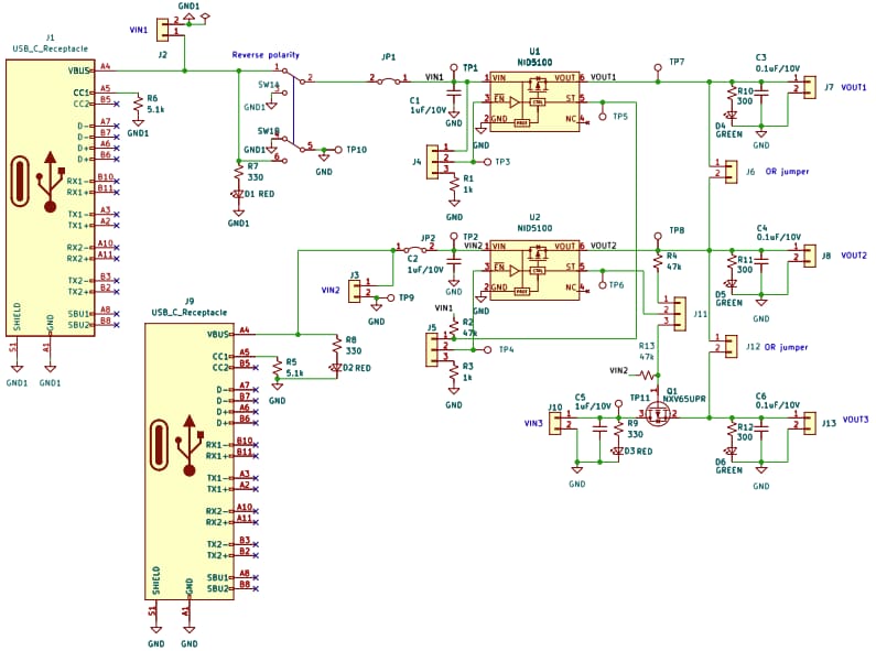
Schematic Diagram

Schematic - Nexperia NEVB-NID5100 Evaluation Board
Published: 2024-08-06 | Updated: 2024-08-29