Monolithic Power Systems (MPS) MPM3806 Synchronous Step-Down Power Modules

Monolithic Power Systems (MPS) MPM3806 Synchronous Step-Down Power Modules are easy-to-use, fully integrated power modules with built-in inductors and power MOSFETs. These power modules operate at a 2.5V to 5.5V wide input voltage range and achieve up to 1A continuous output current with excellent load and line regulation. The MPM3806 step-down power modules feature Constant-On-Time (COT) control that provides fast transient response and eases loop stabilization. These power modules also feature 21µA sleep mode current IQ (increased battery life), 1% Feedback (FB) accuracy, 2.4MHz switching frequency, and 100% duty cycle.

The fault protections in MPM3806 power modules include cycle-by-cycle current limiting, thermal shutdown, Over-Voltage Protection (OVP), Short-Circuit Protection (SCP), power good, and external Soft Start (SS) control. These power modules are AEC-Q100 Grade 1 qualified and available in a small QFN-15 (3mm x 4mm x 1.6mm) package. Typical applications include camera modules, ADAS sensors, automotive infotainment systems, and automotive V2X.

Features

  • Designed for automotive applications:
    • 2.5V to 5.5V wide operating VIN range
    • Up to 1A output current (IOUT)
    • 1% Feedback (FB) accuracy
    • -40°C to 150°C TJ range
    • Available in AEC-Q100 grade 1
  • Increased battery life:
    • 21μA sleep mode IQ
    • Advance Asynchronous Modulation (AAM) mode for increased efficiency under light-load conditions
  • Optimized for board size and BOM:
    • Integrated internal power MOSFETs
    • Integrated compensation network
    • Fixed-output options: 0.8V, 1V, 1.1V, 1.2V, 1.25V, 1.5V, 1.8V, 2.5V, 2.8V, and 3.3V
    • Available in a QFN-15 (3mm x 4mm x 1.6mm) package
  • High-performance 75mΩ and 45mΩ integrated internal power MOSFETs for improved thermals
  • Optimized for EMC and EMI reduction:
    • 2.4MHz Switching Frequency (fSW)
    • MeshConnect™ flip-chip package
  • Additional features:
    • Enable (EN) for power sequencing
    • Power Good (PG)
    • 100% duty cycle
    • External Soft Start (SS) control
    • Output discharge
    • Over-Voltage Protection (OVP) and Short-Circuit Protection (SCP) with hiccup mode
    • Available in a wettable flank package

Applications

  • Camera modules
  • ADAS sensors
  • Automotive infotainment systems
  • Automotive V2X

Typical Application Circuit Diagram

Application Circuit Diagram - Monolithic Power Systems (MPS) MPM3806 Synchronous Step-Down Power Modules

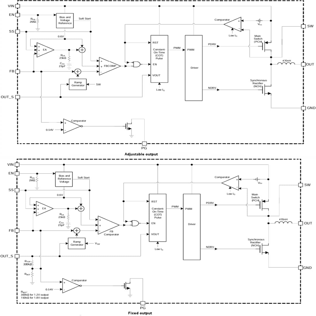
Block Diagrams

Block Diagram - Monolithic Power Systems (MPS) MPM3806 Synchronous Step-Down Power Modules

Dimension Diagram

Mechanical Drawing - Monolithic Power Systems (MPS) MPM3806 Synchronous Step-Down Power Modules
Published: 2024-02-20 | Updated: 2024-03-12