Monolithic Power Systems (MPS) EVQ6527-F-00A Evaluation Board

Monolithic Power Systems (MPS) EVQ6527-F-00A Evaluation Board is designed to demonstrate the capabilities of the MPQ6527, a ten-channel half-bridge gate driver with serial input control. The standard serial data interface controls the ten half-bridges independently, and each half-bridge comes with various diagnostic functions. The MPQ6527 achieves up to 0.8A output current (IOUT) across a wide 5.5V to 40V input voltage (VIN) range.

Features

  • Wide 5.5V to 40V operating input voltage (VIN) range
  • Up to 0.8A output current (IOUT)
  • Typical 1.3Ω HS-FET and LS-FET RDS(ON)
  • Low quiescent current (IQ) in standby mode vs. total temperature range
  • Serial data interface
  • Daisy chaining possible
  • Available in a TSSOP28-EP package
  • Available in AEC-Q100 grade
  • Diagnostic functions include:
    • Shorted output
    • Open-load detection
    • Over-Temperature (OT)
    • Over-Voltage (OV)
    • Under-Voltage (UV)

Applications

  • Motor drivers
  • Telecom half-bridge power supplies
  • Avionics DC/DC converters

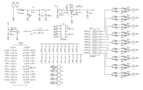
Schematic diagram

Schematic - Monolithic Power Systems (MPS) EVQ6527-F-00A Evaluation Board

Board Overview

Monolithic Power Systems (MPS) EVQ6527-F-00A Evaluation Board
Published: 2022-08-30 | Updated: 2022-09-29