Mini-Circuits AVA Wideband Amplifiers

Mini-Circuits AVA Wideband Amplifiers are GaAs pHEMT MMIC amplifiers in an industry-standard 4mm x 4mm 20-lead QFN-style package. These amplifiers appear with 50Ω internal matching eliminating the need for external matching components and simplifying the integration process. The AVA amplifiers operate within the -45°C to 85°C temperature range and are RoHS compliant. Typical applications include test and measurement equipment, satellite communications, 5G MIMO, radar, EW, and ECM defense systems.

Features

  • Good input and output return loss
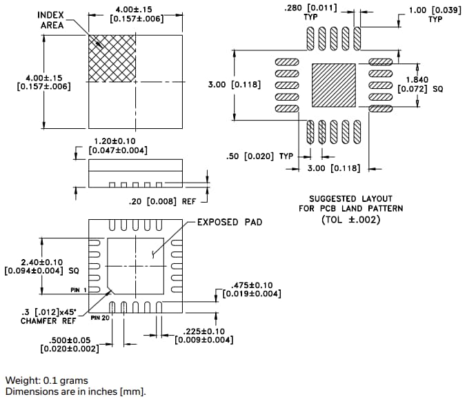
  • 4mm x 4mm 20-lead QFN style package
  • -45°C to 85°C operating temperature range
  • -65°C to 150°C storage temperature range
  • 175°C junction temperature
  • ENV08T10 environmental ratings
  • RoHS compliant

Applications

  • 5G MIMO and back haul radio systems
  • Satellite communications
  • Test and measurement equipment
  • Radar, EW, and ECM defense systems

Dimensions

Mechanical Drawing - Mini-Circuits AVA Wideband Amplifiers
View Results ( 11 ) Page
Part Number Description Datasheet Package/Case Operating Frequency P1dB - Compression Point Gain Operating Supply Voltage NF - Noise Figure OIP3 - Third Order Intercept Operating Supply Current Input Return Loss Isolation dB Pd - Power Dissipation
AVA-183P+ RF Amplifier MMIC WIDEBAND AMPLIFIER AVA-183P+ Datasheet MCLP-12 500 MHz to 18 GHz 11.6 dBm 10.8 dB 5 V 5 dB 19.1 dBm 46.3 mA 14 dB 460 mW
AVA-17303+ RF Amplifier SMT MMIC, Medium Power pHEMT Amplifier, 17 to 31.5 GHz, 50ohm AVA-17303+ Datasheet QFN-20 17 GHz to 31.5 GHz 23.7 dBm 23.7 dB 6 V 5.7 dB 34 dBm 160 mA 17 dB 56 dB 1.8 W
AVA-6183MPS+ RF Amplifier SMT MMIC, Medium Power pHEMT Amplifier, 6 - 18 GHz, 50ohm AVA-6183MPS+ Datasheet QFN-32 6 GHz to 18 GHz 26.6 dBm 23.1 dB 6 V 9 dB 33.6 dBm 663 mA 20 dB 60.7 dB 1.8 W
AVA-0233LN+ RF Amplifier SMT Low Noise Amplifier, 2 - 30 GHz, 50? AVA-0233LN+ Datasheet DG1677-4-32 2 GHz to 30 GHz 11.5 dBm 17.5 dB 4.75 V to 5.25 V 4.8 dB 20.6 dBm 92 mA 17.2 dB 1.55 W
AVA-223MP+ RF Amplifier 0.1-22GHZ MMIC MPA AVA-223MP+ Datasheet QFN-32 100 kHz to 22 GHz 26 dBm 14.9 dB 9 V to 11 V 5.2 dB 41.1 dBm 300 mA 20 dB 43.7 dB 6.38 W
AVA-5R183+ RF Amplifier SMT Gain Block, 500 MHz - 18 GHz, 50 Ohm AVA-5R183+ Datasheet QFN-20 500 MHz to 18 GHz 6.8 dBm 15.3 dB 5 V 5.4 dB 27.9 dBm 85 mA 20 dB 40.5 dB 400 mW
AVA-183MP+ RF Amplifier SMT Low Noise Amplifier, 50 MHz - 18 GHz, 50 Ohm AVA-183MP+ Datasheet QFN-24 50 MHz to 18 GHz 25.8 dBm 16.3 dB 8 V 1.8 dB 31 dBm 160 mA 15.9 dB 43 dB 2.8 W
AVA-2183+ RF Amplifier SMT Gain Block, 2 - 20 GHz, 50 Ohm AVA-2183+ Datasheet QFN-20 2 GHz to 20 GHz 19 dBm 16.4 dB 4 V 6.7 dB 25 dBm 210 mA 16.4 dB 60.8 dB 1.7 W
AVA-24A+ RF Amplifier ML AMPL / SURF MOUNT / RoHS AVA-24A+ Datasheet SMT-8 5 GHz to 20 GHz 18.6 dBm 10.1 dB 5 V 6.9 dB 21.4 dBm 120 mA 7 dB 860 mW
AVA-183A+ RF Amplifier ML AMPL / SURF MOUNT / RoHS AVA-183A+ Datasheet SMT-8 5 GHz to 18 GHz 18.7 dBm 12.4 dB 5 V 6 dB 24.4 dBm 131 mA 7.5 dB 980 mW
Published: 2023-06-22 | Updated: 2025-05-27