Microchip Technology MCP19114 / MCP19115 Low-Side PWM Controllers

Microchip MCP19114 / MCP19115 Synchronous Low-Side PWM Controllers are mid-voltage (4.5-42V) analog-based devices with an integrated 8-bit PIC™ Microcontroller. This Microchip product family combines the performance of a high-speed analog solution, including high-efficiency and fast transient response, with the reconfigurability and communication interface of a digital solution. Combining these solution types creates a new family of devices that maximizes the strengths of each technology to create a more cost-effective, configurable, high-performance power conversion solution.

Features

  • Wide Operating Voltage Range: 4.5-42V
  • Analog Peak-Current Mode Pulse-Width Modulation (PWM) Control
  • Integrated 8-Bit PIC® Microcontroller
  • Significant Configurability: Adjustable Output Voltage, Switching Frequency, MOSFET Deadtime, I2C Communication Interface
  • Integrated, Synchronous Low-Side MOSFET Drivers
  • Minimal External Components Needed
  • Custom Algorithm Support
  • Topologies Supported: Boost, SEPIC, Flyback, and Cuk

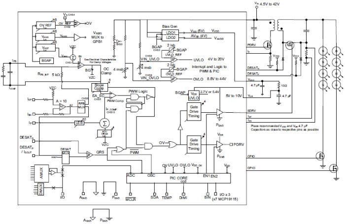
Block Diagram

Block Diagram - Microchip Technology MCP19114 / MCP19115 Low-Side PWM Controllers
Published: 2014-06-04 | Updated: 2022-03-11